 
            | 适合波长(nm) | 光纤接头 | 光纤外层 | 颜色 | 数字孔径 | 电气绝缘 | 
| 400-1000 | SMA905 | 高保护金属,镀PVC膜层 | 黑色 | 0.22 | 
| ST-SMA905-F100 | ST-SMA905-F400 | ST-SMA905-F200 | ST-SMA905-F600 | |
| 光纤芯径(μm) | 100 | 400 | 200 | 600 | 
| 光纤覆层直径(μm) | 140 | 480 | 280 | 720 | 
| 最大激光功率(W) | 70 | 150 | 150 | 150 | 
| 光纤长度1(m) | 1.5,3 | 1.5,3 | 1.5,3 | 1.5,3 | 
| 短时间弯曲半径(cm) | 1.1 | 3.6 | 2.1 | 5.4 | 
| 长时间弯曲半径(cm) | 4.2 | 14.4 | 8.4 | 21.6 | 
1可根据用户要求订制其它长度的光纤。

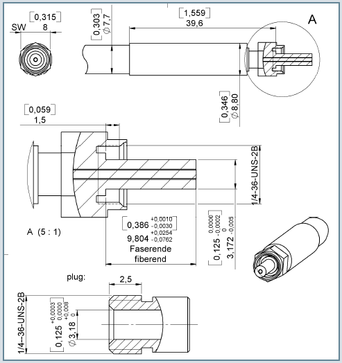
PFC光纤和PC-SMA905连接头采用带空隙型套圈的设计,使光纤传输到没有环氧树脂的自由空间,传输过程中的能量损耗不会导致外壁材料的损坏,安全可靠,使光纤更好的应用于高功率传输。散热器是连接器后面的一个附件,主要用于传导多余的热量以保障光纤能更好的使用。

* 工作波长:350-2500 nm
* 损伤阀值:>5J/mm2 (1ms 1060nm脉冲)和>1.3 kJ/mm2 (1060nm连续)
* PC-SMA 905连接器
* 阳极电镀铝散热器
* 空气间隙套圈 无环氧胶
| 纤芯 | 高纯度二氧化硅(低OH-) | 
| 纤芯直径(μm) | 9 | 
| 包层 | 掺氟二氧化硅 | 
| 包层直径(μm) | 135 | 
| 涂覆层 | 耐高温聚酰亚胺涂层(-190°C到385℃) | 
| 保护管 | 硅橡胶保护套 | 
| 数值孔径NA | 0.22 | 
| 光纤连接器 | PC-SMA905 | 
| 长度 | 3 m | 
| 最大激光功率(W) | 1 W | 
| 短弯曲半径(cm) | 3.6 | 
| 长弯曲半径(cm) | 14.4 | 
