一般来说,打标系统中激光束穿过聚焦透镜系统后会产生离轴偏转现象, 相对理想的平面而言,会在打标面上出现异常图像或畸变。平场聚焦镜,也称场镜、f-theta聚焦镜,是一种专业的透镜系统,目的是将激光束在整个打标平面内形成均匀大小的聚焦光斑,是激光打标机的最重要配件之一。场镜可分为f-theta透镜和远心透镜。由于远心透镜的成本和费用很高,在工业应用的激光打标机中主要使用F-theta透镜。在没有变形的情况下,聚焦点的位置取决于透镜的焦距以及偏转角的切线,聚焦点的位置仅取决于焦距和偏转角,这样就简化了焦点定位的计算方法。
选用场镜,主要考虑的技术参数是工作波长、入射光瞳、扫描范围和聚焦光斑直径。
工作波长:主要是看激光器的波长,场镜是在给定的激光波长镀膜的。如果不在给定的波长范围内用场镜,场镜会被激光烧坏的。
入射光瞳:如使用的是单片镜,反射镜置于入射光瞳的地方,最大可用光束的直径等于入射光瞳的直径。
扫描范围:场镜能扫描到的范围越大,当然越受使用者的欢迎。但是如果增加扫描范围,聚焦光点变大,失真度也要加大。另外加大扫描范围,场镜焦距和工作距也要加大。工作距离的加长,必然导致激光能量的损耗。还有聚焦后的光斑直径跟焦距成正比,这意味着加大扫描范围,聚焦光斑直径跟着加大,光斑聚得不够细,激光的功率密度下降非常快(功率密度跟光斑直径的2次方成反比),不利于加工。所以使用者要根据不同的加工面积选用最适合的场镜,或者备用几个不同扫描范围的场镜。
聚焦光斑直径:对于入射激光束直径D、场镜焦距F和光束质量因子Q的扫描系统,聚焦光斑直径d = 13.5QF/D (mm)。所以用扩束镜可以得到更小的聚焦光斑。
型号命名规则:STY-xxxx-yyy-zzz-dd-A
STY---STY系列激光场镜
xxxx--激光波长, 1064为1064nm, 10.6为10.6um.
yyy---扫描范围, yyy*yyy mm
zzz---焦距 mm
dd----最大入射光斑直径
A-----其它
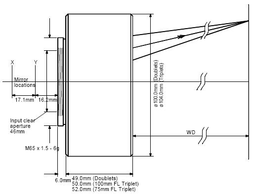
场镜通常由三个镜片和一个保护玻璃所组成,在指定波长或光谱范围镀膜。在1064nm波长时的透过率 > 99% ,保护玻璃也会在两面镀膜。在下面的表格中,FL 表示有效焦距,EP是最大输入光斑直径,SAR是扫描面积,AS是截止口径aperture stop,WD是工作距,OD是场镜外径,MT是安装螺纹,fs是材料熔融石英,SA是最大扫描区域对角线,L2 (a1)是两个扫描镜片间距,L1是第二个扫描镜片和场镜的距离,SL是扫描长度,长度(L)是场镜的长度(高度),FSD是焦斑直径,WC是水冷。
532nm+1064nm
| 型号 | FL(mm) @532nm | FL(mm) @1064nm | EP(mm) | SAR (mm*mm) | AS (mm) | WD(mm) @532nm | WD(mm) @1064nm | OD (mm) | 长度 (mm) | MT |
| STS-1163/081 | 163.2 | 163.2 | 12 | 102 x 102 | 29 | 159.7 | 159.7 | 106 | 82.5 | M85x1 |
| STS-8254/081 | 254 | 253.9 | 15 | 180 x 180 | 25 | 211.4 | 211.4 | 128 | 122 | M85x1 |
355nm+1064nm
| 型号 | FL(mm) @355nm | FL(mm) @1064nm | EP (mm) | SAR (mm*mm) | AS (mm) | WD(mm) @355nm | WD(mm) @1064nm | OD (mm) | 长度 (mm) | MT |
| STS-7400 | 398.9 | 398.3 | 15 | 70 x 70 | 45 | 160.7 | 160.7 | 132 | 291.7 | M85x1 |
808nm+980nm
| 型号 | FL(mm) @808nm | FL(mm) @980nm | EP (mm) | SAR (mm*mm) | AS (mm) | WD(mm) @808nm | WD(mm) @980nm | OD (mm) | 长度 (mm) | MT |
| STS-8163 | 163 | 163.1 | 20 | 102 x 102 | 22 | 151.2 | 151.1 | 106 | 90.5 | M85x1 |
450nm+650nm
| 型号 | FL(mm) @450nm | FL(mm) @650nm | EP (mm) | SAR (mm*mm) | AS (mm) | WD(mm) @450nm | WD(mm) @650nm | OD (mm) | 长度 (mm) | MT |
| STS-0061/065 | 60.3 | 60.5 | 5 | 22 x 22 | 25.7 | 75.5 | 75.4 | 59 | 48.5 | TK 52 |
405nm+650nm
| 型号 | FL(mm) @405nm | FL(mm) @650nm | EP (mm) | SAR (mm*mm) | AS (mm) | WD(mm) @405nm | WD(mm) @650nm | OD (mm) | 长度 (mm) | MT |
| STS-4345 | 40.2 | 40.2 | 4 | 15.5 x 15.5 | 16.9 | 38.4 | 38.4 | 38 | 40 | --- |
| STS-4375 | 80.2 | 80.7 | 6 | 14 x 14 | 95.2 | 24.2 | 24.2 | 59 | 87.9 | TK 52 |
405nm+532nm
| 型号 | FL(mm) @405nm | FL(mm) @532nm | EP (mm) | SAR (mm*mm) | AS (mm) | WD(mm) @405nm | WD(mm) @532nm | OD (mm) | 长度 (mm) | MT |
| STS-5110/322 | 98 | 101.8 | 10 | 66 x 66 | 30.3 | 125.6 | 129.6 | 128 | 86 | M85x1 |
STY系列1940nm 场镜 (熔融石英)
| 型号 | FL mm | WD mm | EP mm | SA θmax | SAR mm | FSD ?m | OD mm | MT |
| STY-1940-98-166 | 166 | 207.58 | 14 | ±24? | Φ139/98x98 | 40.68 | 120 | M85×1 |
| STY-1940-2000-175-260 | 260 | 323.65 | 14 | ±25? | Φ247.5/175x175 | 64.4 | 126 | M85×1 |
| STY-1940-190-280 | 280 | 346.1 | 14 | ±27.5? | Φ269/190x190 | 71 | 120 | M85×1 |
| STY-1940-318-465 | 465 | 554 | 14 | ±27.5 ? | Φ446/318x318 | 117.9 | 120 | M85×1 |
| STY-1940-380-554 | 554 | 655.77 | 14 | ±27.5 ? | Φ532/380x380 | 140.49 | 120 | M85×1 |
STYT系列1940nm 远心场镜 (熔融石英)
| 型号 | FL mm | WD mm | EP mm | SA maxi | SAR,mm (圆/方) | FSD ?m | OD mm | Max IA (o) | MT |
| STYT-1940-26-68 | 68 | 88.38 | 10 | ±16? | Φ37/26x26 | 24.1 | 90 | 1.25 | M85x1 |
| STYT-1940-56-100 | 100 | 135.66 | 14 | ±22.5? | Φ79/56x56 | 25.5 | 130 | 2.1 | M85x1 |
STS系列1850-1980nm场镜 (熔融石英)
| 型号 | 波长 (nm) | FL (mm) | 材料 | EP (mm) | SAR (mm*mm) | AS (mm) | WD (mm) | OD (mm) | 长度 (mm) | MT |
| STS-0260/159 | 1850 - 1980 | 260 | 石英 | 20 | 160 x 160 | 33.1 | 120.1 | 155 | 182.6 | M85x1 |
| STS-1330/159 | 1850 - 1980 | 344.8 | 石英 | 20 | 215 x 215 | 38.5 | 203 | 163 | 179.4 | M85x1 |
STS系列1850-1980nm远心场镜(熔融石英)
| 型号 | 波长(nm) | FL (mm) | 材料 | EP (mm) | SAR (mm*mm) | AS (mm) | WD (mm) | OD (mm) | 长度 (mm) | MT |
| STS-1901/159 | 1850 - 1980 | 103.6 | 石英 | 10 | 60 x 60 | 22.5 | 130.1 | 106 | 82 | M85x1 |
| STS-1957/159 | 1850 - 1980 | 57.1 | 石英 | 10 | 20 x 20 | 17.5 | 72.5 | 89 | 51.9 | M85x1 |
| STS-3162/159 | 1850 - 1980 | 170.2 | 石英 | 15 | 90 x 90 | 27.7 | 209.8 | 130 | 102 | M85x1 |
STH系列1550nm场镜
| 型号 | FL mm | WD mm | EP mm | SA max | SAR mm | FSD ?m | L2/L1 mm | MT |
| STH-1550-28-63-8 | 63 | 77 | 8 | ±18? | 28x28 | 22 | 10/10 | M39x1 |
| STH-1550-45-100-8 | 100 | 106 | 8 | ±18? | 45x45 | 35 | 10/10 | M39x1 |
STYT系列1550nm 远心场镜(熔融石英)
| 型号 | FL mm | WD mm | EP mm | SA | SAR, mm (圆/方) | FSD ?m | OD mm | Max IA (o) | MT |
| STYT-1550-57.5-100 | 100 | 126 | 15 | ±22? | Φ77/57.5x57.5 | 18.9 | 120 | 2.3 | M85x1 |
STS系列1550nm场镜(熔融石英)
| 型号 | 波长 (nm) | FL (mm) | 材料 | EP (mm) | SAR (mm*mm) | AS (mm) | WD (mm) | OD (mm) | 长度 (mm) | MT |
| STS-0260/008 | 1550 | 264.1 | 石英 | 15 | 160 x 160 | 33.1 | 124 | 155 | 182.6 | M85x1 |
| STS-1330/008 | 1550 | 342.2 | 石英 | 20 | 215 x 215 | 38.5 | 202.6 | 163 | 177.4 | M85x1 |
| STS-2250/008 | 1550 | 264.7 | 石英 | 10 | 170 x 170 | 26.9 | 327.9 | 105 | 61 | M85x1 |
| STS-3100/008 | 1550 | 118.4 | 石英 | 6 | 82 x 82 | 17.1 | 160.1 | 89 | 49 | M85x1 |
STS系列远心场镜
| 型号 | 波长 (nm) | FL (mm) | 材料 | EP (mm) | SAR (mm*mm) | AS (mm) | WD (mm) | OD (mm) | 长度 (mm) | MT |
| STS-1901/008 | 1550 | 101.8 | 石英 | 10 | 60 x 60 | 22.5 | 127.7 | 106 | 82 | M85x1 |
| STS-1957/008 | 1550 | 56.1 | 石英 | 10 | 20 x 20 | 17.5 | 71.3 | 89 | 51.9 | M85x1 |
| STS-3162/008 | 1550 | 167 | 石英 | 15 | 90 x 90 | 27.7 | 205.8 | 130 | 102 | M85x1 |
| STS-7010/008 | 1544 | 100 | 玻璃 | 10 | 35 x 35 | 32 | 113.6 | 94 | 98.8 | M85x1 |
| STS-7010/008 | 1560 | 100 | 玻璃 | 10 | 35 x 35 | 32 | 113.6 | 94 | 98.8 | M85x1 |
STY系列场镜(熔融石英)
| 型号 | FL mm | WD mm | EP mm | 扫描角 θmax | 扫描面积 mm | 焦斑 ?m | OD mm | 安装螺纹 |
| STY-1030-1080-66-100 | 100 | 126.49 | 10 | ±27.8? | Φ93/66x66 | 20 | 90 | M85×1 |
| STY-1030-1080-66-100WC | 100 | 126.48 | 10 | ±27.8? | Φ93/66x66 | 20 | 108 | M55x1; M85×1 |
| STY-1030-1080-77-120 | 120 | 158.18 | 14 | ±25? | Φ109/77×77 | 16.68 | 120 | M85×1 |
| STY-1030-1080-110-160 | 160 | 192.5 | 10 | ±28.3 ? | Φ156/110×110 | 31.15 | 90 | M85×1 |
| STY-1030-1080-100-160 | 160 | 209.01 | 12 | ±25 ? | Φ140/100×100 | 25.96 | 105 | M85×1 |
| STY-1030-1080-100-160-12 | 160 | 199.21 | 12 | ±25 ? | Φ140/100×100 | 22.25 | 120 | M85×1 |
| STY-1030-1080-100-160-14 | 160 | 203.3 | 14 | ±25 ? | Φ140/100×100 | 22.25 | 120 | M85×1 |
| STY-1030-1080-78-160 | 160 | 183.61 | 15 | ±20? | Φ110/78×78 | 20.8 | 120 | M85×1 |
| STY-1030-1080-71-160 | 160 | 203.53 | 20 | ±18? | Φ100/71×71 | 15.57 | 120 | M85x1 |
| STY-1030-1080-117-170 | 170 | 199.75 | 10 | ±28 ? | Φ166/117×117 | 33.1 | 90 | M85×1 |
| STY-1030-1080-70-170 | 170 | 213.64 | 30 | ±25 ? | Φ98/70×70 | 11.03 | 146 | M102x1; M112×1 |
| STY-1030-1080-70-170WC | 170 | 215.0 | 30 | ±25 ? | Φ98/70×70 | 11.03 | 166 | M102x1; M112×1 |
| STY-1030-1080-122-200 | 200 | 246.43 | 20 | ±24? | Φ173/122×122 | 20 | 132 | M85×1 |
| STY-1030-1080-120-206 | 206 | 258 | 20 | ±23? | Φ170/120×120 | 20 | 120 | M85×1 |
| STY-1030-1080-100-210 | 210 | 269.23 | 30 | ±25? | Φ140/100×100 | 18 | 143 | M112×1 |
| STY-1030-1080-175-254-12-90 | 255 | 304 | 12 | ±28? | Φ247/175×175 | 41.2 | 90 | M85×1 |
| STY-1030-1080-175-254-12-105 | 254 | 296.96 | 12 | ±28? | Φ247/175×175 | 41.2 | 105 | M85×1 |
| STY-1030-1080-167-254 | 254 | 292.21 | 14 | ±25? | Φ247/167×167 | 36.3 | 120 | M85×1 |
| STY-1030-1080-175-254-14 | 254 | 308.39 | 14 | ±28? | Φ247/175×175 | 35.25 | 120 | M85×1 |
| STY-1030-1080-175-254WC | 254 | 289.01 | 14 | ±28? | Φ248/175×175 | 35.25 | 126 | M85×1 |
| STY-1030-1080-128-254 | 254 | 305.09 | 30 | ±21? | Φ181/128×128 | 16.48 | 157 | M102×1; M112x1 |
| STY-1030-1080-128-254WC | 254 | 304.09 | 30 | ±21? | Φ181/128×128 | 16.48 | 166 | M102×1; M112x1 |
| STY-1030-1080-120-254WC | 254 | 319.38 | 30 | ±21? | Φ181/120×120 | 16 | 190 | M102×1; M112x1 |
| STY-1030-1080-153-255 | 255 | 318.34 | 20 | ±25? | Φ216/153×153 | 30 | 132 | M85×1 |
| STY-1030-1080-203-295 | 295 | 336.72 | 10 | ±28? | Φ287/203×203 | 57.44 | 90 | M85×1 |
| STY-1030-1080-208-300-15 | 300 | 371.14 | 15 | ±25? | Φ262/185×185 | 38.9 | 120 | M85×1 |
| STY-1030-1080-185-300-20 | 300 | 371.14 | 20 | ±25? | Φ262/185×185 | 29.2 | 140 | M85×1 |
| STY-1030-1080-203-330 | 330 | 396.25 | 20 | ±25? | Φ287/203×203 | 32.12 | 120 | M85×1 |
| STY-1030-1080-175-330 | 330 | 392.64 | 30 | ±22? | Φ253/175x175 | 21.41 | 146 | M102×1; M112x1 |
| STY-1030-1080-175-330WC | 330 | 388.14 | 30 | ±22? | Φ253/175x175 | 21.41 | 166 | M102×1; M112x1 |
| STY-1030-1080-175-330DWC | 330 | 406.77 | 30 | ±22? | Φ263/175×175 | 21 | 180 | M102×1; M112x1 |
| STY-1030-1080-210-350 | 350 | 429.55 | 20 | ±24? | Φ298/210×210 | 34.55 | 128 | M85×1 |
| STY-1030-1080-300-420 | 420 | 510.81 | 20 | ±24? | Φ424/300x300 | 41 | 120 | M112×1 |
| STY-1030-1080-251-420 | 420 | 511.63 | 30 | ±24? | Φ355/251×251 | 27.25 | 140 | M112×1 |
| STY-1030-1080-251-420WC | 420 | 421.94 | 30 | ±24? | Φ355/251×251 | 27.63 | 166 | M102×1; M112x1 |
| STY-1030-1080-270-460WC | 460 | 558.13 | 30 | ±24? | Φ382/270×270 | 29.9 | 186 | M102×1; M112x1 |
| STY-1030-1080-440-750WC | 750 | 888.53 | 30 | ±24? | Φ622/440x440 | 48.7 | 165 | M102×1 |
| STY-1030-1080-550-870 | 870 | 984.46 | 20 | ±24? | Φ778/550x550 | 84.7 | 120 | M85×1 |
STY系列1064nm场镜(光学玻璃)
| 型号 | FL mm | WD mm | EP mm | 扫描角 θmax | 扫描面积 mm | 焦斑 ?m | OD mm | 安装螺纹 |
| STY-1064-35-63 | 63 | 61.8 | 12 | ±22? | Φ50/35x35 | 10 | 90 | M85×1 |
| STY-1064-50-80-10 | 80 | 83.27 | 10 | ±22? | Φ70/50x50 | 15 | 90 | M85×1 |
| STY-1064-50-80-20 | 80 | 77.86 | 20 | ±25? | Φ70/50x50 | 7.7 | 105 | M85×1 |
| STY-1064-70-100M | 100 | 113.85 | 8 | ±28 ? | Φ100/70x70 | 24.33 | 60 | M55×1 |
| STY-1064-70-100LNS | 100 | 118.49 | 12 | ±28 ? | Φ100/70x70 | 16.2 | 90 | M85×1 |
| STY-1064-70-100R | 100 | 105.75 | 12 | ±28 ? | Φ100/70x70 | 16 | 90 | M85×1 |
| STY-1064-70-100-20 | 100 | 104.85 | 20 | ±22 ? | Φ100/70x70 | 9.76 | 105 | M85×1 |
| STY-1064-62-100-20D | 100 | 103.37 | 20 | ±25? | Φ87/62x62 | 9.8 | 105 | M85×1 |
| STY-1064-74-120 | 120 | 127.6 | 30 | ±25? | Φ105/80x74 | 15 | 140 | M85x1 |
| STY-1064-85-130 | 130 | 141.96 | 12 | ±25 ? | Φ120/85x85 | 21.1 | 90 | M85×1 |
| STY-1064-70-160M-8 | 160 | 178.66 | 8 | ±18 ? | Φ100.3/70x70 | 38.85 | 47 | M39x1 |
| STY-1064-110-160LNS-12 | 160 | 181.29 | 12 | ±28 ? | Φ155/110x110 | 25.9 | 90 | M85×1 |
| STY-1064-110-160R-12 | 160 | 177.04 | 12 | ±28 ? | Φ156.35/110x110 | 25.95 | 90 | M85×1 |
| STY-1064-101-160H-20 | 160 | 180.72 | 20 | ±25? | Φ142/101x101 | 15.86 | 120 | M85×1 |
| STY-1064-113-163B-12 | 163 | 186.45 | 12 | ±28? | Φ16.5/113x113 | 26.6 | 90 | M85x1 |
| STY-1064-120-163R-10 | 164 | 181.86 | 10-12 | ±31.7 ? | Φ169/120x120 | 31.7 | 90 | M85×1 |
| STY-1064-113-163C-20 | 163 | 182.15 | 20 | ±28 ? | Φ160/113x113 | 15.9 | 115 | M85×1 |
| STY-1064-99.5-168 | 168 | 181.12 | 36 | ±25 ? | Φ148/99.5x99.5 | 9.1 | 163 | M112×1 |
| STY-1064-110-170 | 170 | 198.31 | 30 | ±25? | Φ150/110x110 | 11.03 | 140 | M112×1;M102x1;M95x1 |
| STY-1064-120-173 | 173 | 197.51 | 12 | ±28? | Φ170/120x120 | 28 | 90 | M85x1 |
| STY-1064-130-188 | 188 | 21 | 12 | ±28 ? | Φ185/130X130 | 30 | 90 | M85×1 |
| STY-1064-150-210A | 210 | 231.88 | 12 | ±28 ? | Φ212/150x150 | 34 | 90 | M85×1 |
| STY-1064-145-210B | 210 | 325.8 | 12 | ±28 ? | Φ205/145x145 | 25 | 90 | M85x1 |
| STY-1064-140-210-30 | 210 | 240.42 | 30 | ±25 ? | Φ185/140x140 | 13.63 | 140 | M112×1;M102x1;M95x1 |
| STY-1064-153-220-15 | 220 | 259.78 | 15 | ±28 ? | Φ216/153x153 | 29 | 90 | M55x1; M85×1 |
| STY-1064-150-220-20 | 220 | 241.55 | 20 | ±28? | Φ212/150x150 | 21.4 | 120 | M85×1 |
| STY-1064-180-254M-8 | 254 | 299.42 | 8 | ±28? | Φ254/180x180 | 61 | 52 | M39x1 |
| STY-1064-175-254B-14 | 254 | 277.7 | 14 | ±28 ? | Φ245/175x175 | 42 | 90 | M85×1 |
| STY-1064-175-254LNS-16 | 254 | 281.14 | 8.5-16 | ±28 ? | Φ245/175x175 | 30 | 105 | M85×1 |
| STY-1064-175-254C-20 | 254 | 272.4 | 20 | ±25 ? | Φ245/175x175 | 24.8 | 120 | M85×1 |
| STY-1064-175-254-30 | 254 | 284.58 | 30 | ±25? | Φ222/175x175 | 16.35 | 140 | M102x1 |
| STY-1064-190-255 | 255 | 292.94 | 15 | ±30.2? | Φ268/190x190 | 33.1 | 99.5 | M85x1 |
| STY-1064-180-260 | 260 | 287.54 | 12 | ±28 ? | Φ255/180x180 | 30 | 90 | M85×1 |
| STY-1064-210-290 | 290 | 348.52 | 12 | ±28 ? | Φ283/210x210 | 47 | 90 | M85x1 |
| STY-1064-208-300 | 300 | 360.86 | 10-14 | ±28 ? | Φ295/208x208 | 35 | 90 | M85×1 |
| STY-1064-230-330-12 | 330 | 383.93 | 12 | ±28 ? | Φ325/230x230 | 53 | 90 | M85×1 |
| STY-1064-230-330-16 | 330 | 387.61 | 16 | ±28 ? | Φ325/230x230 | 40 | 120 | M85×1 |
| STY-1064-230-330-30 | 330 | 376.42 | 30 | ±28 ? | Φ325/230x230 | 21.2 | 140 | M112x1; M102x1; M95x1 |
| STY-1064-244-350 | 350 | 417.81 | 20 | ±28 ? | Φ345/244x244 | 34 | 120 | M85x1 |
| STY-1064-296-420-10 | 420 | 481.32 | 10 | ±28 ? | Φ419/296x296 | 82 | 90 | M85×1 |
| STY-1064-290-420B-20 | 420 | 486.08 | 20 | ±28 ? | Φ410/290x290 | 40.8 | 120 | M85x1 |
| STY-1064-290-420-30 | 420 | 491.03 | 30 | ±28 ? | Φ410/290x290 | 27.3 | 140 | M112×1; M132x1 |
| STY-1064-300-430B | 430 | 497.77 | 20 | ±28 ? | Φ425/300x300 | 41.9 | 120 | M85×1 |
| STY-1064-400-515 | 515 | 570.35 | 20 | ±31.5 ? | Φ565/400x400 | 50.1 | 120 | M85×1 |
| STY-1064-402-525 | 525 | 604.73 | 20 | ±31.5 ? | Φ568/402x402 | 51.1 | 125 | M85x1 |
| STY-1064-400-580 | 580 | 670.19 | 24 | ±28 ? | Φ566/400x400 | 47 | 125 | M85x1 |
| STY-1064-565-815 | 815 | 899.83 | 24 | ±28 ? | Φ800/565X565 | 66 | 125 | M85×1 |
STH系列1064nm场镜

| 型号 | FL mm | WD mm | EP mm | SA max | SAR mm | FSD ?m | L2/L1 mm | MT |
| STH-1064-28-63-8 | 63 | 77 | 8 | ±18? | 28x28 | 15 | 10/10 | M39x1/M55x1 |
| STH-1064-50-63-12 | 63 | 78 | 12 | ±28? | 50x50 | 12 | 16/16 | M85x1/M79x1 |
| STH-1064-50-80-8 | 80 | 92 | 8 | ±25? | 50x50 | 20 | 10/10 | M39x1/M55x1 |
| STH-1064-63-100-8 | 100 | 114 | 8 | ±25? | 63x63 | 24 | 10/10 | M39x1/M55x1 |
| STH-1064-70-100-12 | 100 | 114.6 | 12 | ±28? | 70x70 | 16 | 16/16 | M85x1/M79x1 |
| STH-1064-70-100-20 | 100 | 125 | 20 | ±28? | 70x70 | 617 | 18/24 | M85x1/M79x1 |
| STH-1064-90-130-12 | 130 | 143 | 12 | ±28? | 90x90 | 21 | 16/16 | M85x1/M79x1 |
| STH-1064-105-160-8 | 160 | 185 | 8 | ±25? | 105x105 | 39 | 10/10 | M39x1/M55x1 |
| STH-1064-110-160-12 | 160 | 176 | 12 | ±28? | 110x110 | 26 | 16/16 | M85x1/M79x1 |
| STH-1064-110-163-20 | 163 | 185 | 20 | ±28? | 110x110 | 17 | 18/24 | M85x1/M79x1 |
| STH-1064-100-170-30 | 170 | 195 | 30 | ±25? | 100x100 | 11 | 26/30 | M85x1/M95x1 M102x1/M112x1 |
| STH-1064-140-210-12 | 210 | 230 | 12 | ±28? | 140x140 | 34 | 16/16 | M85x1/M79x1 |
| STH-1064-140-210-30 | 210 | 263 | 30 | ±25? | 140x140 | 15 | 26/30 | M85x1/M95x1 M102x1/M112x1 |
| STH-1064-150-210-20 | 210 | 255 | 20 | ±28? | 150x150 | 24 | 18/24 | M85x1/M79x1 |
| STH-1064-150-225-12 | 225 | 250 | 12 | ±28? | 150x150 | 34 | 16/16 | M85x1/M79x1 |
| STH-1064-170-254-8 | 254 | 283 | 8 | ±25? | 170x170 | 62 | 10/10 | M39x1/M55x1 |
| STH-1064-175-254-16 | 254 | 284 | 16 | ±28? | 175x175 | 31 | 16/16 | M85x1/M79x1 |
| STH-1064-175-254-20 | 254 | 285 | 20 | ±28? | 175x175 | 31 | 18/24 | M85x1/M79x1 |
| STH-1064-175-254-30 | 254 | 312 | 30 | ±25? | 175x175 | 17 | 26/30 | M85x1/M95x1 M102x1/M112x1 |
| STH-1064-200-290-16 | 290 | 324 | 16 | ±28? | 200x200 | 31 | 16/16 | M85x1/M79x1 |
| STH-1064-220-330-16 | 330 | 346 | 16 | ±28? | 220x220 | 40 | 16/16 | M85x1/M79x1 |
| STH-1064-220-330-8 | 330 | 360 | 8 | ±25? | 220x220 | 81 | 10/10 | M39x1/M55x1 |
| STH-1064-220-330-20 | 330 | 377 | 20 | ±28? | 220x220 | 40 | 18/24 | M85x1/M79x1 |
| STH-1064-220-330-30 | 330 | 365 | 30 | ±25? | 220x220 | 25 | 26/30 | M85x1/M95x1 M102x1/M112x1 |
| STH-1064-250-380-16 | 380 | 414 | 16 | ±28? | 250x250 | 46 | 16/16 | M85x1/M79x1 |
| STH-1064-300-420-16 | 420 | 467 | 16 | ±28? | 300x300 | 50 | 16/16 | M85x1/M79x1 |
| STH-1064-300-420-20 | 420 | 467 | 20 | ±28? | 300x300 | 55 | 18/24 | M85x1/M79x1 |
| STH-1064-360-500-20 | 500 | 535 | 20 | ±28? | 360x360 | 66 | 18/24 | M85x1/M79x1 |
| STH-1064-400-650-20 | 650 | 697 | 20 | ±28? | 400x400 | 85 | 18/24 | M85x1/M79x1 |
| STH-1064-500-800-20 | 800 | 860 | 20 | ±28? | 500x500 | 104 | 18/24 | M85x1/M79x1 |
| STH-1064-600-900-20 | 900 | 973 | 20 | ±28? | 600x600 | 117 | 18/24 | M85x1/M79x1 |
STS系列场镜(熔融石英和光学玻璃)
| 型号 | 波长 (nm) | FL (mm) | 材料 | EP (mm) | SAR (mm*mm) | AS (mm) | WD (mm) | OD (mm) | 长度 (mm) | MT |
| STS-0063/126 | 1064 | 63 | 玻璃 | 8 | 36 x 36 | 15 | 74.5 | 59.2 | 35.8 | M39x1; M55x1 |
| STS-0099/126 | 1064 | 105.1 | 玻璃 | 12 | 60 x 60 | 27.2 | 125.3 | 90 | 50.2 | M85x1 |
| STS-0101/126 | 1064 | 99.7 | 玻璃 | 10 | 55 x 55 | 16.5 | 110.8 | 90 | 40 | M85x1 |
| STS-0116/126 | 1064 | 99.7 | 玻璃 | 7 | 65 x 65 | 14.3 | 111.5 | 47 | 28.5 | M39x1 |
| STS-0162/126 | 1064 | 160.1 | 玻璃 | 8 | 100 x 100 | 15 | 180.1 | 59.2 | 25.2 | M39x1; M55x1 |
| STS-0163/126 | 1064 | 162.4 | 玻璃 | 12 | 107 x 107 | 22 | 181.2 | 89 | 43.1 | M85x1 |
| STS-0169/126 | 1064 | 160.1 | 玻璃 | 8 | 100 x 100 | 15 | 178.9 | 47 | 25 | M39x1 |
| STS-0192/126 | 1064 | 191.4 | 玻璃 | 20 | 125 x 125 | 40 | 220.5 | 128 | 57.9 | M85x1 |
| STS-0202/126 | 1064 | 201.6 | 玻璃 | 30 | 90 x 90 | 43 | 242.2 | 132 | 85 | M85x1 |
| STS-0253/126 | 1064 | 254.4 | 玻璃 | 14 | 160 x 160 | 27 | 284.9 | 89 | 43.1 | M85x1 |
| STS-0271/126 | 1064 | 250 | 玻璃 | 8.5 | 155 x 155 | 13 | 273.3 | 47 | 25 | M39x1 |
| STS-0299/126 | 1064 | 300.8 | 玻璃 | 20 | 142 x 142 | 35 | 346.4 | 128 | 72.2 | M85x1 |
| STS-0300/126 | 1064 | 298 | 玻璃 | 20 | 175 x 175 | 35 | 350.8 | 128 | 78 | M85x1 |
| STS-0316/126 | 1064 | 299.9 | 玻璃 | 8.5 | 180 x 180 | 14.7 | 327.7 | 47 | 23 | M39x1 |
| STS-0335/126 | 1064 | 335.1 | 玻璃 | 8.5 | 210 x 210 | 15.2 | 366.3 | 47 | 23 | M39x1 |
| STS-0350/126 | 1064 | 346.3 | 玻璃 | 12 | 212 x 212 | 22.5 | 412.2 | 95 | 52.3 | M85x1 |
| STS-0352/126 | 1064 | 354.5 | 玻璃 | 30 | 160 x 160 | 53.5 | 396.9 | 128 | 48.5 | M85x1 |
| STS-0411/126 | 1064 | 409.6 | 玻璃 | 20 | 210 x 210 | 44 | 472.5 | 105 | 56.8 | M85x1 |
| STS-0420/126 | 1064 | 420 | 玻璃 | 30 | 242 x 242 | 59.5 | 480 | 136 | 52 | M132x1 |
| STS-0508/126 | 1064 | 569.7 | 玻璃 | 20 | 325 x 325 | 45 | 651.4 | 127 | 56.9 | M85x1 |
| STS-0580/328 | 1030-1090 | 638.6 | 石英 | 10 | 350 x 350 | 39 | 734.7 | 89 | 38 | M85x1 |
| STS-0635/126 | 1064 | 657.3 | 玻璃 | 25 | 370 x 370 | 75 | 732.8 | 133 | 48.5 | M110x1 |
| STS-0655/328 | 1030-1090 | 649.7 | 石英 | 20 | 410 x 410 | 34.1 | 561.8 | 134 | 114.8 | M85x1 |
| STS-0710/328 | 1030-1090 | 101.4 | 石英 | 5 | 60 x 60 | 15 | 120.7 | 59.2 | 31 | M39x1 |
| STS-0725/328 | 1030-1090 | 254.2 | 石英 | 8 | 140 x 140 | 15.5 | 282.8 | 59.2 | 33.3 | M39x1 |
| STS-0763/328 | 1030-1090 | 163 | 石英 | 7 | 100 x 100 | 15.8 | 194.1 | 59.2 | 33.3 | M39x1 |
| STS-0800/328 | 1030-1090 | 874.2 | 石英 | 20 | 425 x 425 | 35 | 975.2 | 96 | 42.5 | M85x1 |
| STS-0825/126 | 1064 | 819.7 | 玻璃 | 24 | 560 x 560 | 43.3 | 893.8 | 130 | 58 | M102x1 |
| STS-0910/328 | 1030-1090 | 910 | 石英 | 30 | 500 x 500 | 47 | 1048.8 | 154 | 80.8 | M110x1 |
| STS-1163/081 | 1064 | 163.2 | 玻璃 | 12 | 102 x 102 | 29 | 159.7 | 106 | 82.5 | M85x1 |
| STS-1254/126 | 1064 | 254.7 | 玻璃 | 12 | 160 x 160 | 23.5 | 306.5 | 109 | 55.3 | M85x1 |
| STS-1330/328 | 1030-1090 | 340 | 石英 | 20 | 215 x 215 | 38.5 | 203.4 | 163 | 174.6 | M85x1 |
| STS-1420/328 | 1030-1090 | 420 | 石英 | 14 | 280 x 280 | 28.3 | 499.2 | 122 | 67.7 | M85x1 |
| STS-1500/328 | 1030-1090 | 500 | 石英 | 20 | 340 x 340 | 30.5 | 569.8 | 148 | 68 | M85x1 |
| STS-1655/328 | 1030-1090 | 649.4 | 石英 | 20 | 410 x 410 | 32.1 | 581.6 | 134 | 105.5 | M85x1 |
| STS-2163/126 | 1064 | 163 | 玻璃 | 20 | 106 x 106 | 29 | 192.3 | 128 | 66 | M85x1 |
| STS-2175/328 | 1030-1090 | 163.3 | 石英 | 20 | 94 x 94 | 30.5 | 205.4 | 159 | 110.2 | M85x1 |
| STS-2340/328 | 1030-1090 | 339.9 | 石英 | 20 | 61 x 61 | 30.5 | 441.7 | 89 | 91.7 | M85x1 |
| STS-2430/328 | 1030-1090 | 420.1 | 石英 | 30 | 180 x 180 | 52.8 | 293 | 139 | 186.6 | M85x1 |
| STS-2500/328 | 1030-1090 | 500 | 石英 | 30 | 280 x 280 | 48.5 | 620.2 | 198 | 127 | M120x1 |
| STS-3163/126 | 1064 | 163 | 玻璃 | 15 | 120 x 120 | 22.9 | 186.7 | 103 | 52 | M85x1 |
| STS-3250/328 | 1030- 090 | 255 | 石英 | 15 | 160 x 160 | 32.5 | 321.3 | 159 | 91.3 | M85x1 |
| STS-3254/126 | 1064 | 253.8 | 玻璃 | 30 | 115 x 115 | 48.9 | 297 | 130 | 75.5 | M85x1 |
| STS-3260/328 | 1030-1090 | 277.1 | 石英 | 15 | 142 x 142 | 31 | 346.2 | 105 | 61 | M85x1 |
| STS-3480/126 | 1064 | 479.8 | 玻璃 | 30 | 320 x 320 | 63.7 | 443.7 | 260 | 183.2 | M150x1 |
| STS-4255/126 | 1064 | 254 | 玻璃 | 20 | 168 x 168 | 38 | 292.8 | 130 | 70.1 | M85x1 |
| STS-7163 | 1064 | 163 | 玻璃 | 10 | 95 x 95 | 27 | 197.2 | 89 | 44 | M85x1 |
| STS-8254/081 | 1064 | 253.9 | 玻璃 | 15 | 180 x 180 | 25 | 211.4 | 128 | 122 | M85x1 |
STJ系列场镜
| 型号 | 波长 (nm) | FL (mm) | SAR (mm) | SA (°) | EP (mm) | FSD (?m) | a1 (mm) | a2 (mm) | 远心度 (|扫描(°) | WD (mm) | MT |
| STJ-02426 | 1030 - 1080 | 100 | Φ93/66x66 | 54 | 10 | 19 | 13 | 43 | 8.7 | 9.1 | 87 | M85x1 |
| STJ-00326 | 1030 - 1080 | 125 | Φ80 | 37 | 15 | 16 | 18 | 38 | 4.9 | 5.1 | 155 | M85x1 |
| 1030 - 1080 | 125 | Φ93 | 43 | 15 | 16 | 18 | 28 | 7.2 | 7.4 | 155 | M85x1 | |
| STJ-601926 | 1030 - 1080 | 125 | Φ80 | 37 | 15 | 16 | 18 | 38 | 4.9 | 5.1 | 155 | M85x1 |
| 1030 - 1080 | 125 | Φ93 | 43 | 15 | 16 | 18 | 28 | 7.2 | 7.4 | 155 | M85x1 | |
| STJ-01926 | 1030 - 1080 | 160 | Φ170/120x120 | 60 | 10 | 31 | 13 | 43 | 17.1 | 17.2 | 178 | M85x1 |
| STJ-601914 | 1030 - 1080 | 160 | Φ170 | 60 | 10 | 31 | 13 | 43 | 17.1 | 17.2 | 178 | M85x1 |
| STJ-01826 | 1030 - 1080 | 170 | Φ170/120x120 | 57 | 14 | 24 | 17 | 41 | 11.6 | 11.7 | 194 | M85x1 |
| STJ-01726 | 1030 - 1080 | 255 | Φ239/169x169 | 53 | 20 | 24 | 25 | 39 | 14.3 | 15.0 | 291 | M85x1 |
| STJ-601948 | 1030 - 1080 | 255 | 239 | 53 | 20 | 24 | 25 | 39 | 14.3 | 15.0 | 291 | M85x1 |
| STJ-02226 | 1030 - 1080 | 347 | Φ354/250x250 | 58 | 16 | 46 | 17 | 41 | 18.7 | 18.7 | 404 | M85x1 |
| STJ-00926 | 1030 - 1080 | 350 | Φ452/320x320 | 71 | 15 | 45 | 23 | 25 | 23.7 | 24.0 | 395 | M85x1 |
| STJ-02126 | 1030 - 1080 | 420 | Φ420/297x297 | 57 | 15 | 55 | 17 | 41 | 18.7 | 18.8 | 501 | M85x1 |
STJ系列高功率场镜
| 型号 | 波长 (nm) | FL (mm) | SAR (mm) | SA (°) | EP (mm) | FSD (?m) | a1 (mm) | a2 (mm) | 远心度 (| 扫描 (°) | WD (mm) | MT |
| STJ-02526 | 1030-1080 | 160 | 110 | 40 | 14 | 22 | 17 | 40 | 5.2 | 5.4 | 184 | M85x1 |
| STJ-026-26 | 1030-1080 | 255 | 160 | 36 | 20 | 25 | 25 | 48 | 7.2 | 7.4 | 303 | M85x1 |
| STJ-609120 | 1030-1080 | 423 | 360 | 48 | 14 | 59 | 17 | 40 | 16.4 | 16.4 | 500 | M85x1 |
| STJ-601787 | 1030-1080 | 160 | 110 | 40 | 14 | 19 | 17 | 40 | 5.2 | 5.4 | 182 | M85x1 |
| STJ-601804 | 1030-1080 | 255 | 161 | 36 | 20 | 21 | 25 | 48 | 7.2 | 7.4 | 302 | M85x1 |
| STJ-628951 | 1030-1080 | 423 | 360/255x255 | 48 | 14 | 50 | 17 | 40 | 16.4 | 16.4 | 500 | M85x1 |
STS系列远心场镜(熔融石英和光学玻璃)
| 型号 | 波长 (nm) | FL (mm) | 材料 | EP (mm) | SAR (mm*mm) | AS (mm) | WD (mm) | OD (mm) | 长度 (mm) | MT |
| STS-0055/126 | 1064 | 59.7 | 玻璃 | 14 | 19 x 19 | 20.1 | 66.6 | 89 | 58 | M85x1 |
| STS-0058/126 | 1064 | 56.5 | 玻璃 | 10 | 16 x 16 | 26.4 | 58.4 | 90 | 40.7 | M85x1 |
| STS-0080/126 | 1064 | 79.9 | 玻璃 | 25 | 39 x 39 | 27.2 | 79.4 | 107 | 84.1 | M85x1 |
| STS-0082/328 | 1030-1090 | 82 | 石英 | 15 | 20 x 20 | 33 | 84.5 | 93.8 | 103.1 | M85x1 |
| STS-0141/126 | 1064 | 183.1 | 玻璃 | 15 | 50 x 50 | 108.7 | 216.4 | 108 | 70.6 | M85x1 |
| STS-0221/126 | 1064 | 207.3 | 玻璃 | 14 | 139 x 139 | 46 | 273.4 | 281 | 178.7 | TK267 |
| STS-3046/328 | 1030-1090 | 50 | 石英 | 15 | 7 x 7 | 26 | 60.5 | 90 | 69.9 | M85x1 |
| STS-3050/328 | 1030-1090 | 60.5 | 石英 | 6 | 20 x 20 | 22.3 | 81.9 | 87 | 39.8 | M85x1 |
| STS-3162/328 | 1030-1090 | 163.5 | 石英 | 15 | 90 x 90 | 27.7 | 201.5 | 130 | 102 | M85x1 |
| STS-3301/328 | 1030-1090 | 317.6 | 石英 | 15 | 137 x 137 | 30 | 506.2 | 218 | 248.3 | M85x1 |
| STS-4010/328 | 1030-1090 | 100.3 | 石英 | 10 | 35 x 35 | 32 | 129.8 | 106 | 78.7 | M85x1 |
| STS-4031/328 | 1030-1090 | 32.8 | 石英 | 10 | 6 x 6 | 16.5 | 28.7 | 90 | 39.9 | M85x1 |
| STS-4065/328 | 1030-1090 | 65.1 | 石英 | 15 | 15 x 15 | 24 | 83.1 | 94 | 76.5 | M85x1 |
| STS-4127/328 | 1030-1090 | 125.4 | 石英 | 15 | 50 x 50 | 33.5 | 157.6 | 106 | 108.2 | M85x1 |
| STS-5100/126 | 1064 | 107.7 | 玻璃 | 12 | 69 x 69 | 34.9 | 137.8 | 128 | 85.5 | M85x1 |
| STS-5165/126 | 1064 | 163.6 | 玻璃 | 10 | 75 x 75 | 58.3 | 193.9 | 136 | 128 | M85x1 |
| STS-5365/126 | 1064 | 162.9 | 玻璃 | 20 | 73 x 73 | 61.5 | 197.8 | 154 | 115 | M85x1 |
| STS-6125/126 | 1064 | 99.2 | 玻璃 | 25 | 40 x 40 | 37.4 | 115 | 116 | 80.4 | M85x1 |
STYT系列1064nm远心场镜(熔融石英)
| 型号 | FL mm | WD mm | EP mm | SA max | SAR, mm (圆/方) | FSD ?m | OD mm | Max IA (o) | MT |
| STYT-1030-1080-6-32 | 32 | 31.79 | 10 | ±7.6? | Φ8.5/6x6 | 6.2 | 90 | 1.4 | M85x1 |
| STYT-1030-1080-26-65 | 65 | 80.99 | 10 | ±16? | Φ36/26x26 | 12.65 | 90 | 0.58 | M85x1 |
| STYT-1030-1080-20-88 | 88 | 120.51 | 20 | ±9.5? | Φ28.28/20x20 | 8.78 | 120 | 1.3 | M85x1 |
| STYT-1030-1080-38-90 | 91 | 101.32 | 20 | ±17? | Φ54/38x38 | 35 | 120 | 1,9 | M85x1 |
| STYT-1030-1080-54-100 | 100 | 142.73 | 14 | ±20.7? | Φ76/54x54 | 13.5 | 120 | 0.59 | M85x1 |
| STYT-1030-1080-54-100WC | 100 | 142.73 | 14 | ±20.7? | Φ76/54x54 | 13.5 | 135 | 0.59 | M85x1 |
| STYT-1030-1080-51-100 | 100 | 130.44 | 14 | ±20? | Φ72/51x51 | 13.9 | 120 | 0.5 | M85x1 |
| STYT-1030-1080-70-120 | 120 | 168.69 | 10 | ±24? | Φ98/70x70 | 23.5 | 120 | 3.0 | M85x1 |
| STYT-1030-1080-55-125 | 125 | 153.27 | 14 | ±16.5? | Φ77.7/55x55 | 17.39 | 112 | 2.0 | M85x1 |
| STYT-1030-1080-50-125 | 125 | 153.27 | 20 | ±18? | Φ70.7/50x50 | 12.17 | 112 | 1.8 | M85x1 |
| STYT-1030-1080-85-167 | 167 | 215.5 | 14 | ±20.3? | Φ120/85x85 | 17 | 140 | 3.69 | M85x1 |
| STYT-1030-1080-100-200 | 200 | 296.95 | 14 | ±20? | Φ141/100x100 | 27.82 | 173 | 2 | M85x1 |
| STYT-1030-1080-110-254 | 254 | 376.53 | 14 | ±18? | Φ155.5/110x110 | 35.3 | 126 | 5 | M85x1 |
STYT系列1064nm远心场镜(光学玻璃)
| 型号 | FL mm | WD mm | EP mm | 扫描角 maxi | 扫描面积 mm (圆/方) | 焦斑 ?m | OD mm | Max IA(o) | MT |
| STYT-1064-55-100 | 100 | 122.8 | 15 | ±22? | Φ77/55x55 | 13 | 120 | 2.1 | M85x1 |
| STYT-1064-66-125 | 125 | 139.58 | 20 | ±21.5? | Φ109/66x66 | 12 | 120 | 3 | M85x1 |
| STYT-1064-90-167 | 167 | 216.23 | 20 | ±21? | Φ125/90x90 | 16.5 | 140 | 4.4 | M85x1 |
| STYT-1064-88-170 | 170 | 209.61 | 30 | ±21? | Φ120/88x88 | 11.1 | 140 | 4.4 | M85x1 |
| STYT-1064-50-183 | 183 | 219.63 | 20 | ±11.5? | Φ70.7/50x50 | 17.82 | 113 | 0.8 | M102x1;M112x1 |
| STYT-1064-115-210 | 210 | 279.63 | 20 | ±22? | Φ161/115x115 | 13.69 | 188 | 3.3 | M95x1 |
| STYT-1064-108-210 | 210 | 279.63 | 30 | ±21? | Φ154/108x108 | 13.69 | 188 | 3.3 | M102x1 |
| STYT-1064-104-211 | 211 | 279.63 | 10 | ±20? | Φ147/104x104 | 41.1 | 150 | 4.4 | M85x1 |
| STYT-1064-190-315 | 315 | 432.07 | 14 | ±24.5? | Φ269/190x190 | 43.8 | 270 | 2.3 | M85x1 |
STY系列780-980nm场镜(光学玻璃)
| 型号 | FL mm | WD mm | EP mm | SA | SAR mm | FSD ?m | OD mm | MT |
| STY-980-70-100 | 100 | 111.62 | 12 | ±28? | Φ100/70x70 | 16.33 | 90 | M85x1 |
| STY-780-980-70-100R | 100 | 104 | 12 | ±28? | Φ100/70x70 | 15 | 90 | M85x1 |
| STY-980-110-160 | 160 | 182.29 | 12 | ±28? | Φ158/110x110 | 25.9 | 90 | M85x1 |
| STY-980-100-160 | 160 | 181.04 | 20 | ±28? | Φ141/100x100 | 14.62 | 120 | M85x1 |
| STY-980-113-163 | 163 | 185 | 12 | ±28? | Φ160/113x113 | 24.43 | 90 | M85x1 |
| STY-980-100-163 | 163 | 179.61 | 20 | ±28? | Φ160/100x100 | 15.77 | 115 | M85x1 |
| STY-980-100-165 | 165 | 181.04 | 20 | ±28? | Φ141/100x100 | 14.62 | 120 | M85x1 |
| STY-915-940-100-170 | 170 | 191.97 | 30 | ±25? | Φ140/100x100 | 10.11 | 140 | M85x1 |
| STY-980-100-170 | 170 | 191.97 | 30 | ±25? | Φ144/100x100 | 10.11 | 140 | M85x1 |
| STY-915-940-175-254 | 254 | 271.07 | 14-20 | ±28? | Φ247/175x175 | 32.5 | 120 | M85x1 |
| STY-915-940-156-254 | 254 | 286.08 | 30 | ±25? | Φ220/156x156 | 15 | 140 | M85x1 |
| STY-980-156-254 | 254 | 286.08 | 30 | ±25? | Φ220/156x156 | 15 | 140 | M85x1 |
| STY-980-261-420 | 420 | 502.23 | 30 | ±25.2? | Φ369/261x261 | 25.11 | 140 | M85x1 |
| STY-915-400-510 | 510 | 565.93 | 18 | ±31.5? | Φ565/400x400 | 47.5 | 120 | M85x1 |
STH系列980nm场镜
| 型号 | FL mm | WD mm | EP mm | SA max | SAR mm | FSD ?m | L2/L1 mm | MT |
| STH-980-70-100-12 | 100 | 114.6 | 12 | ±28? | 70x70 | 16 | 16/16 | M85x1 |
| STH-980-110-160-12 | 160 | 176 | 12 | ±28? | 110x110 | 26 | 16/16 | M85x1 |
STYT系列980nm远心场镜(光学玻璃)
| 型号 | FL mm | WD mm | EP mm | 扫描角 | SAR, mm (圆/方) | 焦斑 ?m | OD mm | Max IA (o) | MT |
| STYT-532-115-210M95 | 210 | 279.63 | 30 | ±22? | Φ161/115x115 | 20 | 198 | 3.3 | M55x1 |
| STYT-532-115-210M112 | 210 | 256.48 | 30 | ±22.5? | Φ161/115x115 | 20 | 198 | 2.42 | M112x1 |
STY系列915nm场镜(熔融石英)
| 型号 | FL mm | WD mm | EP mm | 扫描角 | SAR mm | FSD ?m | OD mm | MT |
| STY-915-100-160 | 160 | 203.05 | 20 | ±26? | Φ143/100x100 | 13.4 | 130 | M85x1 |
| STY-915-100-170 | 254 | 314.17 | 20 | ±25? | Φ219/155x155 | 21.3 | 130 | M85x1 |
| STY-510-550-156-225 | 330 | 392.53 | 20 | ±28? | Φ325/230x230 | 27.6 | 130 | M85x1 |
STH系列915nm场镜
| 型号 | FL mm | WD mm | EP mm | SA max | SAR mm | FSD ?m | L2/L1 mm | MT |
| STH-915-110-160-12 | 160 | 176 | 12 | ±28? | 110x110 | 26 | 16/16 | M85x1 |
STY系列515-540nm场镜(熔融石英)
| 型号 | F.L. mm | WD mm | EP mm | 扫描角 | 扫描面积 mm | FSD ?m | OD mm | MT |
| STY-515-540-98-160 | 160 | 57.33 | 10 | ±23.7? | Φ138/98×98 | 15.83 | 120 | M85x1 |
| STY-510-550-100-170 | 170 | 221.09 | 10 | ±25? | Φ148/100×100 | 17.5 | 90 | M85x1 |
| STY-510-550-156-225 | 225 | 247.51 | 18 | ±28? | Φ220/156×156 | 12.17 | 120 | M85x1 |
| STY-510-550-170-255 | 255 | 367.81 | 14 | ±27.5? | Φ240/170×170 | 17 | 120 | M85x1 |
| STY-510-550-212-350 | 350 | 283.37 | 14 | ±23.7? | Φ300/212×212 | 24.5 | 122 | M85x1 |
| STY-510-550-315-450 | 450 | 526.39 | 14 | ±28? | Φ445/315×315 | 31.29 | 120 | M85x1 |
| STY-510-550-550-840 | 840 | 960.17 | 20 | ±28? | Φ778/550x550 | 40.9 | 120 | M85x1 |
| STY-510-550-800-1150 | 1150 | 1249.47 | 18 | ±28? | Φ1131/800x800 | 40.9 | 120 | M85x1 |
STY系列532nm场镜(光学玻璃)
| 型号 | FL mm | WD mm | EP mm | SA | SAR mm | FSD ?m | OD mm | MT |
| STY-532-50-63 | 63 | 58 | 8 | ±22 ? | Φ70/50x50 | 12 | 90 | M85x1 |
| STY-532-58-100-10 | 100 | 110.37 | 10 | ±25 ? | Φ82/58x58 | 9.7 | 90 | M85x1 |
| STY-532-58-100-12 | 100 | 112.77 | 12 | ±25 ? | Φ82/58x58 | 8 | 90 | M85x1 |
| STY-532-74-120 | 120 | 132 | 12 | ±25 ? | Φ105/74x74 | 10 | 90 | M85x1 |
| STY-532-110-160 | 160 | 183.18 | 12 | ±28 ? | Φ155/110x110 | 12.8 | 90 | M85x1 |
| STY-532-98-160-58 | 160 | 186.88 | 12 | ±28? | Φ155/110x110 | 13 | 90 | M85x1 |
| STY-532-115-165 | 165 | 189.89 | 20 | ±28? | Φ1162/115x115 | 8 | 120 | M85x1 |
| STY-532-145-237 | 237 | 252.31 | 20 | ±25? | Φ207/145x145 | 11.53 | 120 | M85x1 |
| STY-532-165-254 | 254 | 261.51 | 14 | ±28? | Φ235/165x165 | 16 | 105 | M85x1 |
| STY-532-165-255 | 255 | 294.0 | 20 | ±26? | Φ233/165x165 | 12.5 | 120 | M85x1 |
| STY-532-200-280 | 280 | 283.46 | 12 | ±28? | Φ273/200x200 | 22 | 90 | M85x1 |
| STY-532-190-290 | 290 | 335.98 | 20 | ±26.5? | Φ268/190x190 | 14.1 | 120 | M85x1 |
| STY-532-203-330B | 330 | 397.46 | 14 | ±25? | Φ287/203x203 | 22.9 | 105 | M85x1 |
| STY-532-203-330C | 330 | 388.27 | 14 | ±25? | Φ287/203x203 | 22.9 | 120 | M85x1 |
| STY-532-283-410 | 410 | 474 | 15 | ±28? | Φ400/283x283 | 26.6 | 120 | M85x1 |
| STY-532-317-480 | 480 | 565 | 20 | ±28? | Φ448/317x317 | 31.15 | 120 | M85x1 |
| STY-532-370-535B | 535 | 623.67 | 20 | ±28? | Φ532/370x370 | 26.04 | 125 | M85x1 |
| STY-532-400-600 | 600 | 656.71 | 20 | ±27? | Φ565/400x400 | 29.2 | 140 | M85x1 |
STH系列532nm场镜
| 型号 | FL mm | WD mm | EP mm | SA max | SAR mm | FSD ?m | L2/L1 mm | MT |
| STH-532-70-100-12 | 100 | 114.5 | 12 | ±28? | 70x70 | 10 | 16/16 | M85x1/M79x1 |
| STH-532-110-160-12 | 160 | 186 | 12 | ±28? | 110x110 | 16 | 16/16 | M85x1/M79x1 |
| STH-532-140-210-12 | 210 | 234 | 12 | ±28? | 140x140 | 21 | 16/16 | M85x1/M79x1 |
| STH-532-175-254-12 | 254 | 262 | 12 | ±28? | 175x175 | 25 | 16/16 | M85x1/M79x1 |
| STH-532-230-330-12 | 330 | 359 | 12 | ±28? | 230x230 | 33 | 16/16 | M85x1/M79x1 |
| STH-532-350-500-12 | 500 | 540 | 12 | ±28? | 350x350 | 50 | 16/16 | M85x1/M79x1 |
STY-WT系列532nm场镜
| 产品型号 | FL (mm) | SA (±°) | SL (mm) | SAR (mm) | EP (mm) | FSD (um) | 长度 (mm) | WD (mm) | MT |
| STY-532-70-100-WT | 100 | 25° | 87.0 | 70x70 | 14.0 | 12.0 | 50.0 | 100.0 | M85x1 |
| STY-532-90-120-WT | 120 | 25° | 102.0 | 90x90 | 8.0 | 10.8 | 38.85 | 134.0 | M85x1 |
| STY-532-100-162-WT | 162 | 23° | 132.9 | 100x100 | 7.0 | - | 25.2 | 183.4 | M39/M55 |
| STY-532-115-165-WT | 165 | 20° | 163.0 | 115x115 | 10.0 | 18.5 | 48.0 | 186.0 | M85x1 |
| STY-532-148-233-WT | 234 | 26° | 211.0 | 148x148 | 10.0 | - | 55.3 | 282.0 | M85x1 |
| STY-532-150-254-WT | 254 | 25° | 220.0 | 150x150 | 10.0 | 21.5 | 51.0 | 280.0 | M85x1 |
| STY-532-225-410-WT | 410 | 25° | 366.0 | 225x225 | 15.0 | 15.0 | 48.94 | 443.7 | M85x1 |
| STY-532-350-508-WT | 508 | 25° | 500.0 | 350x350 | 16.0 | 15.0 | 57.0 | 581.0 | M85x1 |
| STY-532-510-740-WT | 740 | 20° | 721.0 | 510x510 | 16.0 | 18.5 | 65.0 | 896.5 | M85x1 |
| STY-532-550-768-WT | 768 | 28° | 710.0 | 550x550 | 16.0 | 24.0 | 58.0 | 839.0 | M102x1 |
STS系列532nm场镜(熔融石英和光学玻璃)
| 型号 | 波长 (nm) | FL (mm) | 材料 | EP (mm) | SAR (mm*mm) | AS (mm) | WD (mm) | OD (mm) | 长度 (mm) | MT |
| STS-0063/121 | 532 | 62.9 | 玻璃 | 7 | 30 x 30 | 15 | 75.7 | 59.2 | 35.7 | M39x1/M55x1 |
| STS-0101/121 | 532 | 89.7 | 玻璃 | 6 | 58 x 58 | 16.5 | 96.3 | 90 | 40 | M85x1 |
| STS-0162/121 | 532 | 162.1 | 玻璃 | 7 | 100 x 100 | 16.1 | 183.5 | 59.2 | 25.2 | M39x1/M55x1 |
| STS-0163/121 | 532 | 147.1 | 玻璃 | 7 | 77 x 77 | 20 | 161.8 | 89 | 43.1 | M85x1 |
| STS-0300/121 | 532 | 276.9 | 玻璃 | 14 | 200 x 200 | 29 | 324.1 | 128 | 78 | M85x1 |
| STS-0508/121 | 532 | 528.3 | 玻璃 | 16 | 330 x 330 | 43 | 603.8 | 127 | 56.9 | M85x1 |
| STS-0580/292 | 515 - 545 | 613.2 | 石英 | 10 | 367 x 367 | 33.5 | 706.9 | 89 | 38 | M85x1 |
| STS-0825/121 | 532 | 768.6 | 玻璃 | 16 | 585 x 585 | 43 | 842.9 | 130 | 9 | M102x1 |
| STS-1163/081 | 532 | 163.2 | 玻璃 | 12 | 102 x 102 | 29 | 159.7 | 106 | 82.5 | M85x1 |
| STS-1254/121 | 532 | 233.5 | 玻璃 | 10 | 148 x 148 | 24.7 | 282.1 | 109 | 55.3 | M85x1 |
| STS-1330/292 | 515 - 545 | 347.9 | 石英 | 14 | 212 x 212 | 36 | 279 | 122 | 108.4 | M85x1 |
| STS-3100/292 | 515 - 545 | 113.2 | 石英 | 5 | 74 x 74 | 19.2 | 152 | 89 | 48.5 | M85x1 |
| STS-3164/121 | 532 | 162.8 | 玻璃 | 10 | 120 x 120 | 28 | 186.5 | 106 | 47 | M85x1 |
| STS-3260/292 | 515 - 545 | 259.4 | 石英 | 10 | 162 x 162 | 26 | 325.5 | 105 | 61 | M85x1 |
| STS-3430/121 | 532 | 430 | 玻璃 | 20 | 310 x 310 | 56.3 | 409.1 | 240 | 149 | M130x1 |
| STS-8254/081 | 532 | 254 | 玻璃 | 15 | 180 x 180 | 25 | 211.4 | 128 | 122 | M85x1 |
STJ系列515-540nm场镜
| 型号 | 波长 (nm) | FL (mm) | SAR (mm) | SA (°) | EP (mm) | 焦斑 (?m) | a1 (mm) | a2 (mm) | 远心度 (| 扫描 (°) | WD (mm) | MT |
| STJ-017700-209-26 | 515 - 540 | 100 | 90 | 53 | 10 | 10 | 13 | 43 | 7.7 | 7.8 | 95 | M85x1 |
| STJ-017700-202-26 | 515 - 540 | 102 | 75 | 43 | 15 | 7 | 18 | 36 | 4.1 | 4.9 | 133 | M85x1 |
| STJ-017700-203-26 | 515 - 540 | 108 | 75 | 40 | 15 | 7 | 16 | 39 | 4.9 | 5.1 | 130 | M85x1 |
| 515 - 540 | 108 | 86 | 46 | 15 | 7 | 16 | 31 | 7.1 | 7.3 | 130 | M85x1 | |
| STJ-017700-206-26 | 515 - 540 | 170 | 160 | 54 | 14 | 12 | 17 | 41 | 10.9 | 11.0 | 195 | M85x1 |
| STJ-017700-205-26 | 515 - 540 | 255 | 233 | 52 | 20 | 12 | 25 | 39 | 14.2 | 14.3 | 294 | M85x1 |
| STJ-017700-208-26 | 515 - 540 | 330 | 347 | 58 | 16 | 23 | 17 | 41 | 18.4 | 18.4 | 384 | M85x1 |
| STJ-017700-207-26 | 515 - 540 | 420 | 420 | 57 | 15 | 27 | 17 | 41 | 19.3 | 19.3 | 485 | M85x1 |
STYT系列532nm远心场镜(熔融石英)
| 型号 | FL mm | WD mm | EP mm | SA max | SAR, mm (圆/方) | FSD ?m | OD mm | Max IA (o) | MT |
| STYT-510-550-23-62 | 62 | 82.10 | 10 | ±16? | Φ33/23x23 | 6.2 | 90 | 1 | M85x1 |
| STYT-510-550-37-88 | 88 | 100.63 | 14 | ±17? | Φ52/37x37 | 10 | 120 | 1.9 | M85x1 |
| STYT-510-550-54-100 | 100 | 142.2 | 10 | ±20.7? | Φ76/54x54 | 13.5 | 120 | 0.38 | M85x1 |
| STYT-510-550-50-100 | 100 | 136.4 | 14 | ±21? | Φ70.7/50x50 | 7 | 120 | 1.3 | M85x1 |
| STYT-510-550-90-167 | 167 | 232.23 | 14 | ±21? | Φ127/90x90 | 11.61 | 140 | 3 | M85x1 |
STYT系列532nm远心场镜(光学玻璃)
| 型号 | FL mm | WD mm | EP mm | 扫描角 maxi | SAR, mm (圆/方) | FSD ?m | OD mm | Max A (o) | MT |
| STYT-532-50-100 | 100 | 125.04 | 15 | ±21.5? | Φ71/50x50 | 6.5 | 120 | 3.2 | M85x1 |
| STYT-532-60-110 | 110 | 132.94 | 15 | ±21.5? | Φ83/60x60 | 7.2 | 120 | 3.2 | M85x1 |
| STYT-532-91-170 | 170 | 214.66 | 14 | ±21.8? | Φ129/91x91 | 11.8 | 140 | 3 | M85x1 |
| STYT-532-100-170 | 170 | 204.79 | 20 | ±24? | Φ141/100X100 | 8.53 | 164 | 4 | M102x1 |
STHT系列532nm远心场镜
| 型号 | 材料 | FL mm | WD mm | EP mm | 扫描角 | SAR mm | FSD ?m | ODxL mm | Max A (o) | MT |
| STHT-532-65-100 | 玻璃 | 100 | 138 | 8 | ±25? | 65x65 | 10 | 120x83.8 | 1.5 | M85x1 |
| STHT-510-550-50-100 | 石英 | 100 | 127 | 12 | ±25? | 50x50 | 10 | 120x82.1 | 1.5 | M85x1 |
| STHT-510-550-65-100 | 石英 | 100 | 127 | 12 | ±25? | 65X65 | 10 | 120x82.1 | 1.5 | M85x1 |
STS系列515-545nm远心场镜
| 型号 | 波长 (nm) | FL (mm) | 材料 | EP (mm) | SAR (mm*mm) | AS (mm) | WD (mm) | OD (mm) | 长度 (mm) | MT |
| STS-0055/121 | 532 | 59.3 | 玻璃 | 10 | 20 x 20 | 16.9 | 72.1 | 89 | 58 | M85x1 |
| STS-0058/121 | 532 | 53.1 | 玻璃 | 6 | 15 x 15 | 25.5 | 52.6 | 90 | 40.7 | M85x1 |
| STS-0080/121 | 532 | 77 | 玻璃 | 14 | 49 x 49 | 22.8 | 74.1 | 107 | 83.8 | M85x1 |
| STS-0141/121 | 532 | 171 | 玻璃 | 15 | 50 x 50 | 102.1 | 196.6 | 108 | 70.6 | M85x1 |
| STS-0200/121 | 532 | 198.4 | 玻璃 | 20 | 75 x 75 | 111.6 | 232 | 142 | 94 | TK 133.0 |
| STS-0221/121 | 532 | 201.5 | 玻璃 | 10 | 139 x 139 | 46 | 264 | 281 | 178.7 | TK 267.0 |
| STS-1094/121 | 532 | 88 | 玻璃 | 16 | 36 x 36 | 33.8 | 107.5 | 85 | 66.3 | 70 |
| STS-1095/121 | 532 | 88 | 玻璃 | 16 | 32 x 32 | 39.8 | 107.3 | 85 | 66.3 | M55x1/M85x1 |
| STS-3046/292 | 515 - 545 | 48.1 | 石英 | 15 | 7 x 7 | 26 | 60.2 | 90 | 64.9 | M85x1 |
| STS-3050/292 | 515 - 545 | 58.6 | 石英 | 6 | 20 x 20 | 21 | 79.3 | 87 | 39.7 | M85x1 |
| STS-3161/292 | 515 - 545 | 163.9 | 石英 | 10 | 90 x 90 | 26.3 | 219 | 122 | 98 | M85x1 |
| STS-3301/292 | 515 - 545 | 305.5 | 石英 | 15 | 141 x 141 | 30 | 487.9 | 218 | 248.3 | M85x1 |
| STS-4010/292 | 515 - 545 | 100 | 石英 | 10 | 35 x 35 | 30 | 130.2 | 106 | 78.7 | M85x1 |
| STS-4031/292 | 515 - 545 | 32.2 | 石英 | 10 | 6 x 6 | 16.5 | 28.4 | 90 | 39.9 | M85x1 |
| STS-4066/292 | 515 - 545 | 67.2 | 石英 | 15 | 15 x 15 | 24 | 85.8 | 94 | 73.3 | M85x1 |
| STS-4126/292 | 515 - 545 | 125.3 | 石英 | 10 | 53 x 53 | 34.6 | 167 | 106 | 92.2 | M85x1 |
| STS-4262/292 | 515 - 545 | 163.6 | 石英 | 12 | 65 x 65 | 35.2 | 195.4 | 121 | 148.1 | M85x1 |
| STS-5100/121 | 532 | 100.1 | 玻璃 | 10 | 69 x 69 | 30 | 126.7 | 128 | 85.5 | M85x1 |
| STS-5165/121 | 532 | 162.7 | 玻璃 | 10 | 75 x 75 | 53.9 | 195.1 | 136 | 128 | M85x1 |
STK系列515/532nm场镜/远心场镜
| 型号 | FL (mm) | EP (mm) | SAR(mm) | SA(deg) | FSD(um) | WD(mm) | Max A (o) | OD (mm) | 长度(mm) | MT |
| STK-515-28-79 | 70 | 14 | Φ40/28x28 | 82.2 | < 1 | M85x1 | ||||
| STK-532-40-110 | 110 | 14 | Φ57/40X40 | 149 | < 2 | M85x1 | ||||
| STK-532-80-163 | 163 | 10 | Φ113/80X80 | 227 | < 1.1 | M85x1 | ||||
| STK-515-150-350 | 350 | 30 | 150x150 | ±18 | 20 | 464 | < 7 | 205 | 157 | M110x1 |
| STK-515-162-250 | 250 | 10 | Φ230/162X162 | 319 | < 5 | M85x1 | ||||
| STK-532-165-250 | 250 | 20 | Φ233/165X165 | 300 | M83.5x1 | |||||
| STK-532-165-255 | 255 | 20 | Φ255/165x165 | 272 | < 16 | M85x1 | ||||
| STK-532-170-260 | 260 | 20 | Φ240/170X170 | 360 | < 1.5 | M85x1 | ||||
| STK-532-230-350 | 350 | 16 | Φ327/230x230 | 381 | M85x1 |
STY系列405nm 场镜(熔融石英)
| 型号 | FL mm | WD mm | EP mm | SA max | SAR, mm (圆/方) | FSD ?m | OD mm | MT |
| STY-405-300-375 | 375.42 | 430.89 | 10 | ±31.2? | Φ424/300x300 | 27.8 | 116 | M92x1 |
| STY-405-520-750 | 750 | 839.53 | 16 | ±28? | Φ736/520x520 | 35 | 120 | M85x1 |
| STY-405-600-840 | 840 | 941.93 | 18 | ±28? | Φ850/600x600 | 34.59 | 120 | M85x1 |
STH系列405nm场镜
| 型号 | FL mm | WD mm | EP mm | SA max | SAR mm | FSD ?m | L2/L1 mm | MT |
| STH-405-110-160-12 | 160 | 176 | 12 | ±28? | 110x110 | 26 | 16/16 | M85x1 |
| STH-405-140-210-12 | 210 | 230 | 12 | ±28? | 140x140 | 34 | 16/16 | M85x1 |
| STH-405-175-254-16 | 254 | 284 | 16 | ±28? | 175x175 | 31 | 16/16 | M85x1 |
| STH-405-200-290-16 | 290 | 324 | 16 | ±28? | 200x200 | 31 | 16/16 | M85x1 |
STS系列405nm场镜
| 型号 | FL mm | 材料 | SAR mm | EP mm | AS mm | WD mm | OD mm | 长度 mm | MT |
| STS-3160/173 | 176 | 石英 | 110x110 | 6 | 21.1 | 157.6 | 220.9 | 36.8 | M85x1 |
| STS-3260/173 | 263.9 | 石英 | 164x164 | 10 | 26 | 331.3 | 105 | 61 | M85x1 |
| STS-0580/173 | 593.8 | 石英 | 326x326 | 10 | 19 | 686.1 | 89 | 38 | M85x1 |
| STS-0314/173 | 315.1 | 光学玻璃 | 200x200 | 10 | 36.2 | 372 | 116 | 49 | M92x1 |
| STS-0375/173 | 375.3 | 光学玻璃 | 300x300 | 10 | 35.5 | 447.9 | 116 | 47.9 | M92x1 |
| STS-1210/173 | 1202.7 | 光学玻璃 | 748x748 | 20 | 48.5 | 1353.7 | 152 | 96.9 | M85x1 |
| STS-1208/173 | 1794 | 光学玻璃 | 1010x1010 | 20 | 47.5 | 1929.7 | 96 | 31.8 | M85x1 |
| STS-1208/173 | 1794 | 光学玻璃 | 800x800 | 30 | 47.5 | 1929.7 | 96 | 31.8 | M85x1 |
STS系列405nm远心场镜
| 型号 | FL mm | 材料 | SAR mm | EP mm | AS mm | WD mm | OD mm | 长度 mm | MT |
| STS-4110/173 | 111.4 | 石英 | 63x63 | 6 | 33.1 | 157.6 | 121 | 86 | M85x1 |
| STS-8050/173 | 55.1 | 光学玻璃 | 30x30 | 6 | 16.2 | 67.3 | 90 | 52 | M85x1 |
STY系列355nm场镜(熔融石英)
| 型号 | FL mm | WD mm | EP mm | SA max | SAR, mm (圆/方) | FSD ?m | OD mm | MT |
| STY-355-65-100 | 100 | 121.37 | 8 | ±25? | Φ90/65×65 | 8.36 | 90 | M85x1 |
| STY-355-80-130 | 130 | 161.14 | 10 | ±25? | 113/80x80 | 8.5 | 90 | M85x1 |
| STY-355-100-160 | 160 | 193.89 | 10 | ±25? | Φ140/100×100 | 10.3 | 90 | M85x1 |
| STY-355-110-162 | 162 | 200.82 | 12 | ±28? | Φ155/110×110 | 8.77 | 105 | M85x1 |
| STY-355-105-170 | 170 | 210.19 | 10 | ±25? | Φ148/105×105 | 11.04 | 90 | M85x1 |
| STY-355-135-210 | 210 | 250.55 | 10 | ±25? | Φ190/135×135 | 13.6 | 90 | M85x1 |
| STY-355-130-210 | 210 | 236.91 | 15 | ±25? | Φ185/130×130 | 9.1 | 120 | M85x1 |
| STY-355-103-235 | 235 | 189.02 | 10 | ±17.4’’ | Φ146/103×103 | 15.27 | 90 | M85x1 |
| STY-355-175-254-10 | 254 | 300.72 | 10 | ±25? | Φ247.5/175×175 | 16.4 | 90 | M85x1 |
| STY-355-170-254-14 | 254 | 318.21 | 14 | ±27? | Φ241.2/175×175 | 11.79 | 120 | M85x1 |
| STY-355-175-255 | 255 | 313.53 | 10 | ±28? | Φ221/175×175 | 16.57 | 120 | M85x1 |
| STY-355-201-305 | 305 | 365.55 | 16 | ±26.7? | Φ285/201×201 | 12.38 | 120 | M85x1 |
| STY-355-195-330 | 330 | 390.77 | 10 | ±24? | Φ276/195×195 | 21.43 | 90 | M85x1 |
| STY-355-203-330 | 330 | 383.39 | 14 | ±25? | Φ288/203×203 | 15.3 | 120 | M85x1 |
| STY-355-216-350 | 350 | 409.61 | 10 | ±25? | Φ305/216×216 | 16.24 | 120 | M85x1 |
| STY-355-290-470 | 470 | 535.30 | 16 | ±25? | Φ410/290×290 | 19.08 | 120 | M85x1 |
| STY-355-320-500 | 500 | 568.14 | 14 | ±26? | Φ452/320×320 | 23 | 120 | M85x1 |
| STY-355-360-580 | 580 | 663.11 | 16 | ±25? | Φ509/360×360 | 25.22 | 120 | M85x1 |
| STY-355-468-730 | 730 | 702.04 | 10 | ±26? | Φ661/468×468 | 47.4 | 90 | M85x1 |
| STY-355-520-750 | 750 | 823.37 | 16 | ±28? | Φ735/520×520 | 32.3 | 120 | M85x1 |
| STY-355-600-840 | 840 | 921.44 | 18 | ±29? | Φ850/600×600 | 30.3 | 120 | M85x1 |
| STY-355-660-910 | 910 | 990.84 | 18 | ±29.5? | Φ933/660×660 | 42.2 | 120 | M85x1 |
| STY-355-780-1090 | 1090 | 1177.90 | 18 | ±29? | Φ1103/780×780 | 44.24 | 120 | M85x1 |
| STY-355-800-1180 | 1180 | 1174.87 | 14 | ±28? | Φ1130/800x800 | 54.76 | 120 | M85x1 |
| STY-355-885-1280 | 1280 | 1164.59 | 14 | ±25? | Φ1251/885x885 | 59.4 | 120 | M85x1 |
| STY-355-900-1450 | 1450 | 1499.77 | 14 | ±25? | Φ1272/900×900 | 67.29 | 120 | M85x1 |
| STY-355-1070-1550 | 1550 | 1175.40 | 10 | ±28? | Φ1513/1070x1070 | 174.7 | 120 | M85x1 |
STH系列355nm场镜(熔融石英)

| 型号 | FL mm | WD mm | EP mm | SA max | SAR mm | FSD ?m | ODxL mm | L2/L1, mm | MT |
| STH-355-15-34-7 | 34 | 29 | 7 | ±16? | 15x15 | 4 | 90x44.9 | 12/10 | M85x1 |
| STH-355-13-34-7M79 | 34 | 29 | 7 | ±16? | 13x13 | 4 | 85x45.4 | 12/10 | M79x1 |
| STH-355-30-50-7 | 50 | 45 | 7 | ±25? | 30x30 | 5 | 90x68.3 | 13/12 | M85x1 |
| STH-355-50-63-7 | 63 | 83 | 7 | ±25? | 50x50 | 4 | 90x60.8 | 16/16 | M85x1 |
| STH-355-70-100-7 | 100 | 126 | 7 | ±25? | 70x70 | 10 | 90x54.6 | 13/15 | M85x1 |
| STH-355-80-130-8 | 130 | 151 | 8 | ±25? | 80x80 | 11 | 60x34.2 | 12/9 | M55x1 |
| STH-355-100-160-8M79 | 160 | 200 | 8 | ±25? | 100x100 | 15 | 90x50 | 16/16 | M79x1 |
| STH-355-100-160-8 | 160 | 200 | 8 | ±25? | 100x100 | 15 | 90x50 | 16/16 | M85x1 |
| STH-355-100-160-12 | 160 | 200 | 12 | ±25? | 100x100 | 10 | 90x50 | 15/20 | M85x1 |
| STH-355-114-170-8 | 170 | 207 | 8 | ±28? | 114x114 | 14 | 90x54.6 | 13/13 | M85x1 |
| STH-355-140-210-8M79 | 210 | 252 | 8 | ±25? | 140x140 | 17 | 90x50 | 13/12 | M79x1 |
| STH-355-140-210-8 | 210 | 252 | 8 | ±25? | 140x140 | 17 | 90x50 | 16/16 | M85x1 |
| STH-355-170-254-10 | 254 | 309 | 10 | ±28? | 170x170 | 17 | 90x50 | 16/16 | M85x1 |
| STH-355-170-254-10M55 | 254 | 309 | 10 | ±28? | 170x170 | 17 | 90x50 | 13/12 | M55x1 |
| STH-355-200-290-10 | 290 | 336 | 10 | ±25? | 200x200 | 20 | 90x50 | 13/12 | M85x1 |
| STH-355-220-330-8 | 330 | 373 | 8 | ±25? | 220x220 | 30 | 90x50 | 13/12 | M85x1 |
| STH-355-220-330-8M79 | 330 | 373 | 8 | ±25? | 220x220 | 30 | 90x50 | 13/12 | M85x1 |
| STH-355-250-380-8 | 380 | 442 | 8 | ±25? | 250x250 | 35 | 90x50 | 13/12 | M85x1 |
| STH-355-300-420-8 | 420 | 475 | 8 | ±28? | 300x300 | 38 | 90x50 | 13/12 | M85x1 |
| STH-355-330-470-8 | 470 | 531 | 8 | ±28? | 330x330 | 39 | 90x50 | 16/12 | M85x1 |
| STH-355-360-510-8 | 510 | 585 | 8 | ±28? | 350x350 | 42 | 90x50 | 13/12 | M85x1 |
| STH-355-450-650-8 | 650 | 710 | 8 | ±28? | 450x450 | 53 | 90x50 | 13/12 | M85x1 |
| STH-355-550-750-8 | 750 | 833 | 8 | ±28? | 550x550 | 74 | 90x50 | 16/16 | M85x1 |
| STH-355-600-840-8 | 840 | 924 | 8 | ±28? | 600x600 | 83 | 90x50 | 16/16 | M85x1 |
| STH-355-800-1090-8 | 1090 | 1178 | 8 | ±25? | 800x800 | 30 | 90x41 | 20/12 | M85x1 |
备注:M79x1mm或其它安装螺纹的场镜也可以供应。
STY-WT系列355nm场镜
| 产品型号 | FL (mm) | SA (±°) | SL (mm) | SAR (mm) | EP (mm) | FSD (um) | 长度 (mm) | WD (mm) |
| STY-355-60-100-WT | 100.0 | 25° | 85.0 | 60x60 | 6.0 | 15.5 | 56.0 | 130.5 |
| STY-355-76-108-WT | 108.3 | 28.4° | 107.7 | 76x76 | 6.0 | - | 49.0 | 146.0 |
| STY-355-109-174-WT | 173.9 | 25° | 153.2 | 109x109 | 6.0 | - | 36.8 | 218.4 |
| STY-355-112-160-WT | 160.0 | 20° | 158.0 | 112x112 | 7.0 | 13.5 | 50.0 | 177.79 |
| STY-355-112-160Q-WT | 160.0 | 29° | 160.0 | 112x112 | 6.0 | 18 | 50.36 | 206.6 |
| STY-355-155-250-WT | 250.3 | 25.4° | 219.2 | 155x155 | 10.0 | - | 61.0 | 309.6 |
| STY-355-160-254-WT | 254.0 | 25° | 220.0 | 160x160 | 12.0 | 22.0 | 55.0 | 311.0 |
| STY-355-130-269-WT | 269.3 | 19.0° | 183.0 | 130x130 | 4.0 | - | 47.0 | 276.1 |
| STY-355-180-290-WT | 290.0 | 25.5° | 255.0 | 180x180 | 20.0 | 40.0 | 65.0 | 332.5 |
| STY-355-250-410-WT | 410.0 | 25° | 354.0 | 250x250 | 10.0 | 7.0 | 46.8 | 488.2 |
| STY-355-320-580-WT | 580.0 | 22° | 455.0 | 320x320 | 10.0 | 27.0 | 38.0 | 668.0 |
| STY-355-350-580-WT | 580.0 | 25° | 495.0 | 350x350 | 15.0 | 24.0 | 46.0 | 689.0 |
| STY-355-500-810-WT | 810.0 | 28° | 850.0 | 500x500 | 24.0 | 55.0 | 57.0 | 880.0 |
| STY-355-440-831-WT | 831.1 | 21.4° | 624.5 | 440x440 | 14.0 | - | 62.5 | 983.2 |
| STY-355-470-912-WT | 919.2 | 20.8° | 678.0 | 470x470 | 14.0 | - | 40.0 | 1032.0 |
STS系列355nm场镜
| 型号 | 波长 (nm) | FL (mm) | 材料 | EP (mm) | SAR (mm*mm) | AS (mm) | WD (mm) | OD (mm) | 长度 (mm) | MT |
| STS-0580/075 | 355 | 580.8 | 石英 | 10 | 320 x 320 | 39 | 671.5 | 89 | 38 | M85x1 |
| STS-0815/075 | 355 | 829.4 | 石英 | 14 | 440 x 440 | 25 | 981.1 | 90 | 62.5 | M85x1 |
| STS-0920/075 | 355 | 919.9 | 石英 | 14 | 470 x 470 | 41 | 1035.1 | 89 | 40 | M85x1 |
| STS-1330/075 | 355 | 329.3 | 石英 | 14 | 210 x 210 | 36 | 260.5 | 122 | 108.4 | M85x1 |
| STS-3100/075 | 355 | 108.3 | 石英 | 6 | 76 x 76 | 17.1 | 145.7 | 89 | 49 | M85x1 |
| STS-3160/075 | 355 | 174.7 | 石英 | 6 | 109 x 109 | 21.1 | 219 | 89 | 36.8 | M85x1 |
| STS-3260/075 | 355 | 250.3 | 石英 | 10 | 155 x 155 | 28.1 | 309.8 | 105 | 61 | M85x1 |
STJ系列355nm场镜
| 型号 | WL (nm) | FL (mm) | SAR (mm) | SA (°) | EP (mm) | FSD (?m) | a1 (mm) | a2 (mm) | 远心度 (|扫描 (°) | WD (mm) | MT |
| STJ-017700-401-26 | 355 | 53 | 24 | 24 | 10 | 3.5 | 13 | 46 | 0.4 | 1.5 | 65 | M85x1 |
STJ系列355nm高功率场镜
| 型号 | 波长 (nm) | FL (mm) | SAR (mm) | SA (°) | EP (mm) | 焦斑 (?m) | a1 (mm) | a2 (mm) | 远心度 (| 扫描 (°) | WD (mm) | MT |
| STJ-017700-402-26 | 355 | 103 | 71 | 40 | 9 | 8 | 14 | 47 | 2.4 | 2.8 | 135 | M85x1 |
| STJ-017700-406-26 | 355 | 255 | 240 | 54 | 10 | 17 | 13 | 42 | 12.7 | 12.7 | 314 | M85x1 |
| STJ-017700-405-26 | 355 | 510 | 431 | 51 | 14 | 24 | 14 | 42 | 18.2 | 18.2 | 609 | M85x1 |
| STJ-586840 | 355 | 170 | 140 | 50 | 10 | 11 | 13 | 42 | 4.8 | 4.8 | 236 | M85x1 |
STYT系列355nm远心场镜 (熔融石英)
| 型号 | FL mm | WD mm | EP mm | SA max | SAR,mm (圆/方) | FSD ?m | OD mm | Max IA (o) | MT |
| STYT-355-8-30 | 30 | 35.35 | 10 | ±10.5? | Φ8.5/8x8 | 1.95 | 90 | 1.8 | M85x1 |
| STYT-355-1-32 | 32 | 26.34 | 10 | ±7.6? | Φ8.5/1x1 | 3.2 | 90 | 2 | M85x1 |
| STYT-355-22-60 | 60 | 73.65 | 10 | ±16? | Φ31/22x22 | 11.5 | 90 | 1.26 | M85x1 |
| STYT-355-15-65 | 65 | 81.1 | 10 | ±9.4? | Φ21.2/15x15 | 4.2 | 94 | 1.8 | M85x1 |
| STYT-355-28-74 | 74 | 91.35 | 10 | ±16? | Φ40/28x28 | 4.5 | 90 | 1.0 | M85x1 |
| STYT-355-50.8-100 | 100 | 107.68 | 14 | ±20.4? | Φ71/50.8x50.8 | 6.69 | 120 | 1.6 | M85x1 |
| STYT-355-50-100 | 100 | 136.48 | 14 | ±21? | Φ70.7/50x50 | 5 | 120 | 0.5 | M85x1 |
| STHT-355-60-100 | 100 | 133 | 8 | ±25? | 60X60 | 11 | 120 | 1.5 | M85x1 |
| STYT-355-51-103 | 103 | 136.13 | 12 | ±20.4’’ | Φ72/51x51 | 5.58 | 100 | 1.93 | M85x1 |
| STYT-355-65-110 | 110 | 153.88 | 8 | ±24? | Φ92/65x65 | 8.9 | 120 | 1.6 | M85x1 |
| STYT-355-65-120 | 120 | 149.1 | 10 | ±22.5? | Φ92/65x65 | 8 | 118 | 1.5 | M85x1 |
| STYT-355-60-130 | 130 | 159.92 | 10 | ±19? | Φ85/60x60 | 8.45 | 120 | 0.98 | M85x1 |
| STYT-355-90-167 | 167 | 211.25 | 10 | ±24? | Φ127/90x90 | 10.8 | 130 | 5.28 | M85x1 |
| STYT-355-70-167 | 167 | 234.52 | 14 | ±18? | Φ99/70x70 | 7.8 | 140 | 0.48 | M85x1 |
| STYT-355-90-166.57 | 166.57 | 229.16 | 14 | ±22? | Φ127/90x90 | 7.7 | 159 | < 2 | M85x1 |
| STYT-355-101-175 | 175 | 247.49 | 10 | ±24? | Φ142/101x101 | 11.8 | 140 | 3.13 | M85x1 |
| STYT-355-172-295 | 295 | 426.75 | 14 | ±23.7? | Φ244/172x172 | 13 | 280 | 1.7 | M85x1 |
| STYT-355-173-330 | 330 | 681.58 | 14 | ±20? | Φ245/173x173 | 15.3 | 270 | 1.35 | M85x1 |
STHT系列355nm远心场镜(熔融石英)
| 型号 | FL mm | WD mm | EP mm | SA max | SAR mm | FSD ?m | L2/L1 mm | ODxL mm | Max IA (o) | MT |
| STHT-355-50-63-8 | 63 | 90 | 8 | ±25? | 50x50 | 8 | 16/20 | 90x60.8 | 1.5 | M85x1 |
| STHT-355-60-100-8 | 100 | 133 | 8 | ±25? | 60x60 | 11 | 14/20 | 120x83.8 | 1.5 | M85x1 |
| STHT-355-65-110-8 | 110 | 150 | 8 | ±25? | 65x65 | 11 | 14/22 | 120x85.8 | 1.5 | M85x1 |
| STHT-355-85-130-8 | 130 | 180 | 8 | ±25? | 80x80 | 15 | 14/22 | 129x117 | 1.5 | M85x1 |
| STHT-355-100-160-8 | 160 | 220 | 8 | ±25? | 100x100 | 13 | 14/22 | 155x129 | 1.5 | M85x1 |
STS系列355nm远心场镜
| 型号 | 波长 (nm) | FL (mm) | 材料 | EP (mm) | SAR (mm*mm) | AS (mm) | WD (mm) | OD (mm) | 长度 (mm) | MT |
| STS-3046/075 | 355 | 45 | 石英 | 15 | 7 x 7 | 26 | 55.7 | 90 | 64.9 | M85x1 |
| STS-3050/075 | 355 | 56 | 石英 | 6 | 20 x 20 | 19.5 | 75.9 | 87 | 39.5 | M85x1 |
| STS-3170/075 | 355 | 163.4 | 石英 | 10 | 90 x 90 | 26 | 221.7 | 127 | 103.7 | M85x1 |
| STS-3301/075 | 355 | 290 | 石英 | 10 | 137 x 137 | 30 | 465.9 | 218 | 248.3 | M85x1 |
| STS-4010/075 | 355 | 100.2 | 石英 | 10 | 35 x 35 | 34.6 | 132 | 106 | 78.7 | M85x1 |
| STS-4031/075 | 355 | 32.1 | 石英 | 10 | 6 x 6 | 16.5 | 29.1 | 90 | 39.8 | M85x1 |
| STS-4067/075 | 355 | 65.5 | 石英 | 15 | 15 x 15 | 24 | 81.7 | 94 | 79 | M85x1 |
| STS-4110/075 | 355 | 109.4 | 石英 | 6 | 63 x 63 | 33.1 | 154.6 | 121 | 86 | M85x1 |
| STS-4125/075 | 355 | 125 | 石英 | 10 | 53 x 53 | 36.8 | 156.9 | 106 | 106.3 | M85x1 |
| STS-4262/075 | 355 | 163 | 石英 | 10 | 65 x 65 | 35.2 | 193.7 | 121 | 145.5 | M85x1 |
| STS-5256/075 | 355 | 256.8 | 石英 | 6 | 86 x 86 | 24 | 145.4 | 138 | 173.5 | M85x1 |
STK系列355nm远心场镜
| 型号 | FL (mm) | EP (mm) | SAR(mm) | SA(deg) | WD(mm) | FSD(mm) | Max IA(o) | OD (mm) | 长度(mm) | MT |
| STK-355-25-70 | 70 | 8 | Φ36/25x25 | 78.6 | 10 | < 1.0o | M85x1 | |||
| STK-355-50-103 | 103 | 9 | Φ70/50x50 | 143 | < 1.2o | M85x1 | ||||
| STK-355-90-165 | 165 | 10 | Φ127/90x90 | 226 | 11 | < 1.0o | M85x1 | |||
| STK-355-118-220 | 220 | 14 | Φ167/118x118 | 280 | 13 | < 1.5o | M85x1 | |||
| STK-355-130-265 | 265 | Φ186/130x130 | 353 | 10 | < 1.0o | M85x1 | ||||
| STK-355-160-255 | 255 | 14 | Φ230.8/160x160 | ±27 | 344 | 19 | < 1.5o | 278 | 218 | M85x1 |
| STK-355-180-320 | 320 | 14 | Φ254/180x180 | 422 | 19 | < 1.5o | M85x1 | |||
| STK-355-200-330 | 330 | 14 | Φ283/200x200 | ±26 | 445 | 14 | < 1.5o | 295 | 360 | M85x1 |
| STK-355-230-356 | 356 | 14 | Φ325/230x230 | 498 | 22 | > 1.0 o | M85x1 |
STY-WT系列266nm场镜
| 产品型号 | FL (mm) | SA (±°) | SL (mm) | SAR (mm) | EP (mm) | FSD (um) | 长度 (mm) | WD (mm) |
| STY-266-70-100-WT | 100.0 | 28° | 95.0 | 70x70 | 5.0 | 8.0 | 49.0 | 137.0 |
| STY-266-110-160-WT | 160.0 | 28° | 160.0 | 110x110 | 5.0 | 10.0 | 36.7 | 200.0 |
| STY-266-90-254-WT | 254.0 | 18° | 156.0 | 90x90 | 4.0 | 16.0 | 47.0 | 25.0 |
STS系列266nm场镜
| 型号 | 波长 (nm) | FL (mm) | 材料 | EP (mm) | SAR (mm*mm) | AS (mm) | WD (mm) | OD (mm) | 长度 (mm) | MT |
| STS-3100/199 | 266 | 101.5 | 石英 | 5 | 73 x 73 | 17.1 | 136.3 | 89 | 49 | M85x1 |
| STS-3160/199 | 266 | 161.4 | 石英 | 5 | 105 x 105 | 21.1 | 202.8 | 89 | 36.8 | M85x1 |
| STS-0256/199 | 266 | 245.4 | 石英 | 4 | 148 x 148 | 13.5 | 249.3 | 90 | 47 | M85x1 |
STS系列266nm远心场镜
| 型号 | 波长 (nm) | FL (mm) | 材料 | EP (mm) | SAR (mm*mm) | AS (mm) | WD (mm) | OD (mm) | 长度 (mm) | MT |
| STS-3050/199 | 266 | 53.5 | 石英 | 6 | 20 x 20 | 17.8 | 72 | 87 | 39 | M85x1 |
| STS-4105/199 | 266 | 96.1 | 石英 | 5 | 50 x 50 | 26.9 | 134.5 | 121 | 86.2 | M85x1 |
| STS-4163/199 | 266 | 159.8 | 石英 | 10 | 64 x 64 | 32.6 | 213.6 | 121 | 173 | M85x1 |
| STS-4263/199 | 266 | 162.9 | 石英 | 10 | 70 x 70 | 35.2 | 218.4 | 121 | 110.4 | M85x1 |
STJ系列266nm高功率场镜
| 型号 | 波长 (nm) | FL (mm) | SAR (mm) | SA (°) | EP (mm) | 焦斑 (?m) | a1 (mm) | a2 (mm) | 远心度 (| 扫描 (°) | WD (mm) | MT |
| STJ-017700-601-26 | 266 | 103 | 71 | 40 | 9 | 6 | 14 | 46 | 2.6 | 2.9 | 133 | M85x1 |
消色差场镜是使激光波长和可见光波长聚焦在同一个焦平面上,以便CCD摄像画面与激光加工面同步清晰,观察加工过程。
STY系列355nm消色差场镜
| 型号 | FL mm | WD mm | EP mm | 扫描角 max | SAR, mm (圆/方) | FSD ?m | OD mm | MT |
| STY-355-635-50-140 | 140 | 100.29 | 10-12 | ±14.5? | Φ70.7/50x50 | 9.1 | 90 | M85x1 |
| STY-355-532-60-170 | 170 | 135 | 10 | ±15? | Φ80/60x60 | 11.1 | 105 | M85x1 |
| STY-355-633120-254 | 254 | 222.49 | 10 | ±19? | Φ170/120x120 | 16.49 | 105 | M85x1 |
STY系列532nm消色差场镜
| 型号 | FL mm | WD mm | EP mm | 扫描角 max | SAR, mm (圆/方) | FSD ?m | OD mm | MT |
| STY-532-633-50-140 | 500 | 517.29 | 14 | ±28? | Φ495/350x350 | 34.8 | 105 | M85x1 |
STY系列915nm消色差场镜
| 型号 | FL mm | WD mm | EP mm | SA max | SAR, mm (圆/方) | FSD ?m | OD mm | MT |
| STY-915-633-130-210 | 210 | 229.76 | 30 | ±25? | Φ184/130x130 | 12.06 | 132 | M102x1;M121x1 |
| STY-915-680-300-500 | 500 | 535.43 | 30 | ±25? | Φ424/300x300 | 27.9 | 140 | M102x1 |
STY系列1064nm消色差场镜
| 型号 | FL mm | WD mm | EP mm | SA max | SAR, mm (圆/方) | FSD ?m | OD mm | MT |
| STY-1064-633-70-100 | 100 | 102.84 | 10 | ±25? | Φ100/70x70 | 19.5 | 90 | M85x1 |
| STY-1064-633-110-160-10 | 160 | 169.87 | 10 | ±28? | Φ155/110x110 | 31 | 105 | M85x1 |
| STY-1064-633-110-160-12 | 160 | 172.47 | 12 | ±28? | Φ156/110x110 | 25.9 | 105 | M85x1 |
| STY-1064-633-100-170 | 170 | 179.99 | 30 | ±25? | Φ150/100x100 | 11 | 140 | M112x1;M102x1;M95x1 |
| STY-1064-633-130-210 | 210 | 232.31 | 30 | ±25? | Φ185/145x130 | 13.65 | 140 | M112x1;M102x1;M95x1 |
| STY-1064-633-175-254 | 254 | 261.75 | 10 | ±25? | Φ247/175x175 | 49.4 | 90 | M85x1 |
| STY-1064-633-157-254 | 254 | 269.27 | 30 | ±25? | Φ222/157x157 | 30 | 140 | M112x1;M102x1;M95x1 |
| STY-1064-468-176-255 | 255 | 262.43 | 10 | ±28? | Φ248/176x176 | 49.4 | 90 | M85x1 |
| STY-1064-633-180-260 | 260 | 253.45 | 15 | ±28? | Φ255/180x180 | 33.75 | 135 | M85x1 |
| STY-1064-633-200-330 | 330 | 356.13 | 30 | ±25? | Φ283/200x200 | 21.4 | 140 | M112x1;M102x1;M95x1 |
| STY-1064-633-260-420 | 420 | 455.42 | 30 | ±25? | Φ368/260x260 | 27.3 | 140 | M112x1;M102x1;M95x1 |

便携式清洗机用,该场镜体积小,重量轻。
| 产品型号 | FL mm | WD mm | EP mm | SA max | SAR mm(square) | FSD ?m | OD mm | MT |
| STY-405-200x1-330Q | 330 | 401.37 | 10 | ±17.5? | 200x10 | 24.5 | 75x21x44.5 | D4.5x285x1 |
| STY-1030-1080-70X8-160 | 160 | 204.03 | 20 | ±12.5 ? | 70x8 | 15.57 | 90x49x75 | D4.5x285x1 |
| STY-1070-650-80X5-160Q | 160 | 199.9 | 10 | ±14.7 ? | 80x5 | 31.15 | 63.5x21x42.7 | D4.5x285x1 |
| STY-1030-1080-80X10-255 | 255 | 320.34 | 20 | ±10 ? | 80x10 | 30 | 90x49x82 | D4.5x285x1 |
STSL系列ZnSe单片CO2激光扫描聚焦镜片

库存CC系列70x70、105x105、155x155、175x175、210x210、250x250、300x300mm二氧化碳激光场镜,特价促销,随时发货,欢迎抢购,售完为止。
工作激光波长: 10.6um
材料: 硒化锌ZnSe
镜片直径: 48mm
镜片边缘厚度: 3mm
最大入射光束直径: f15mm
| 型号 | 焦距 (mm) | 扫描范围(mmxmm) | 后焦距 (mm) | 边焦距(mm) | 平均聚焦光斑直径(mm) |
| STSL-10.6-50-75 | 75.2 | 50 x 50 | 74.2 | 78.4 | 171 |
| STSL-10.6-60-90 | 90.1 | 60 x 60 | 90.0 | 94.8 | 174 |
| STSL-10.6-70-101-CC | 101.3 | 70 x 70 | 101.4 | 106.1 | 181 |
| STSL-10.6-105-149-CC | 149.1 | 105 x 105 | 150.6 | 155.6 | 219 |
| STSL-10.6-120-175 | 175.0 | 120 x 120 | 177.4 | 178.4 | 243 |
| STSL-10.6-125-179 | 179.2 | 125 x 125 | 181.9 | 187.3 | 247 |
| STSL-10.6-140-201 | 200.6 | 140 x 140 | 203.5 | 208.8 | 269 |
| STSL-10.6-155-226-CC | 225.5 | 155 x 155 | 228.0 | 232.8 | 296 |
| STSL-10.6-175-249-CC | 249.4 | 175 x 175 | 253.3 | 258.5 | 320 |
| STSL-10.6-210-298-CC | 298.0 | 210 x 210 | 302.6 | 307.7 | 373 |
| STSL-10.6-250-363-CC | 362.6 | 250 x 250 | 368.2 | 373.2 | 445 |
| STSL-10.6-280-394 | 394.4 | 280 x 280 | 401.4 | 406.7 | 481 |
| STSL-10.6-300-433-CC | 432.7 | 300 x 300 | 441.0 | 446.2 | 525 |
| STSL-10.6-340-482 | 481.8 | 340 x 340 | 490.2 | 495.3 | 581 |
| STSL-10.6-370-529 | 528.8 | 370 x 370 | 538.5 | 543.5 | 634 |
| STSL-10.6-415-592 | 591.7 | 415 x 415 | 586.5 | 589.9 | 717 |
| STSL-10.6-500-717 | 716.5 | 500 x 500 | 730.0 | 734.7 | 850 |
| STSL-10.6-550-782 | 781.6 | 550 x 550 | 797.7 | 802.2 | 925 |
| STSL-10.6-600-848 | 848.4 | 600 x 600 | 859.6 | 863.7 | 1000 |
| STSL-10.6-680-978 | 977.6 | 680 x 680 | 993.7 | 997.9 | 1150 |
| STSL-10.6-840-1183 | 1183 | 840 x 840 | 1205 | 1208 | 1390 |
| STSL-10.6-850-1201 | 1201 | 850 x 850 | 1216 | 1220 | 1410 |
| STSL-10.6-920-1285 | 1285 | 920 x 920 | 1317 | 1321 | 1520 |
| STSL-10.6-1000-1409 | 1409 | 1000 x 1000 | 1421 | 1425 | 1650 |
| STSL-10.6-1120-1577 | 1577 | 1120 x 1120 | 1593 | 1596 | 1840 |
| STSL-10.6-1256-1746 | 1746 | 1256 x 1256 | 1783 | 1787 | 2040 |
| STSL-10.6-1500-2122 | 2122 | 1500 x 1500 | 2173 | 2177 | 2420 |
| 产品型号 | 焦距 (mm) | 扫描范围(mm) | 工作距WD (mm) | 平均聚焦光斑直径(mm) |
| STSL-10.6-50-75 | 75.2 | 50 x 50 | 59.8 | 171 |
| STSL-10.6-60-90 | 90.1 | 60 x 60 | 75.6 | 174 |
| STSL-10.6-70-101 | 101.3 | 70 x 70 | 87.0 | 181 |
| STSL-10.6-105-149 | 149.1 | 105 x 105 | 136.2 | 219 |
| STSL-10.6-120-175 | 175.0 | 120 x 120 | 163.0 | 243 |
| STSL-10.6-125-179 | 179.2 | 125 x 125 | 167.5 | 247 |
| STSL-10.6-140-201 | 200.6 | 140 x 140 | 189.1 | 269 |
| STSL-10.6-155-226 | 225.5 | 155 x 155 | 213.6 | 296 |
| STSL-10.6-175-249 | 249.4 | 175 x 175 | 238.9 | 320 |
| STSL-10.6-210-298 | 298.0 | 210 x 210 | 288.2 | 373 |
| STSL-10.6-250-363 | 362.6 | 250 x 250 | 353.8 | 445 |
| STSL-10.6-280-394 | 394.4 | 280 x 280 | 387.0 | 481 |
| STSL-10.6-300-433 | 432.7 | 300 x 300 | 426.6 | 525 |
| STSL-10.6-340-482 | 481.8 | 340 x 340 | 475.8 | 581 |
| STSL-10.6-370-529 | 528.8 | 370 x 370 | 524.1 | 634 |
| STSL-10.6-415-592 | 591.7 | 415 x 415 | 572.1 | 717 |
| STSL-10.6-500-717 | 716.5 | 500 x 500 | 715.6 | 850 |
| STSL-10.6-550-782 | 781.6 | 550 x 550 | 783.3 | 925 |
| STSL-10.6-600-848 | 848.4 | 600 x 600 | 845.2 | 1000 |
| STSL-10.6-680-978 | 977.6 | 680 x 680 | 979.3 | 1150 |
| STSL-10.6-840-1183 | 1183 | 840 x 840 | 1190.6 | 1390 |
| STSL-10.6-850-1201 | 1201 | 850 x 850 | 1201.6 | 1410 |
| STSL-10.6-920-1285 | 1285 | 920 x 920 | 1302.6 | 1520 |
| STSL-10.6-1000-1409 | 1409 | 1000 x 1000 | 1406.6 | 1650 |
| STSL-10.6-1120-1577 | 1577 | 1120 x 1120 | 1578.6 | 1840 |
| STSL-10.6-1256-1746 | 1746 | 1256 x 1256 | 1768.6 | 2040 |
| STSL-10.6-1500-2122 | 2122 | 1500 x 1500 | 2158.6 | 2420 |
| 产品型号 | SAR(mm) | FSD(mm) | FL(mm) | WD(mm) | L1(mm) | 远心度(o) |
| STXH-10.6-50-75 | 50×50 | 0.12 | 75 | 57.5 | 15.5 | 16.1 |
| STXH-10.6-70-100 | 70×70 | 0.18 | 101.3 | 85.7 | 14.4 | 19 |
| STXH-10.6-90-125 | 90x90 | 0.22 | 128.3 | 111.9 | 13.3 | 21.8 |
| STXH-10.6-110-150 | 110×110 | 0.29 | 150.2 | 135.9 | 13.3 | 23.5 |
| STXH-10.6-140-230 | 140×140 | 0.50 | 238.1 | 227 | 12.8 | 23.6 |
| STXH-10.6-175-250 | 175×175 | 0.54 | 250 | 238 | 14.0 | 23.9 |
| STXH-10.6-210-300 | 210×210 | 0.61 | 300 | 288 | 13.8 | 24.5 |
| STXH-10.6-250-360 | 250×250 | 0.80 | 360 | 352.8 | 12.4 | 26.7 |
| STXH-10.6-300-430 | 300×300 | 1.00 | 430 | 356.5 | 13.8 | 27.8 |
备注:STXH系列场镜镜片直径48mm,最大入射光斑直径14mm,扫描镜间距16.5mm, 场镜外径91mm,长度24mm,安装螺纹M85x1mm,材料是ZnSe。20mm、38mm和65mm的场镜可以定制。
| 型号 | FL mm | WD mm | EP mm | SA max | SAR, mm (圆/方) | FSD ?m | ODxL mm | MT |
| STY-10.6-70-100 | 100 | 85.5 | 10 | ±25? | Φ100/70x70 | 193.98 | 90x26.5 | M85x1 |
| STY-10.6-110-150 | 150 | 131.5 | 12 | ±25? | Φ155/110x110 | 242.47 | 90.2x26.5 | M85x1 |
| STY-10.6-140-200 | 200 | 185.7 | 15 | ±25? | Φ198/140x140 | 258.64 | 90.2x26.5 | M85x1 |
| STY-10.6-175-250 | 250 | 244.8 | 15 | ±25? | Φ248/175x175 | 323.3 | 90x26 | M85x1 |
| STY-10.6-210-300 | 300 | 298.8 | 12 | ±25? | Φ297/210x210 | 484.95 | 90x26 | M85x1 |
| STY-10.6-250-360 | 360 | 350 | 12 | ±25? | Φ495/250x250 | 581.94 | 90x26 | M85x1 |
| STY-10.6-300-430 | 430 | 420.2 | 15 | ±25? | Φ424/300x300 | 558.08 | 90x26 | M85x1 |
| STY-10.6-350-500 | 500 | 552.52 | 20 | ±28.4 ? | Φ494/350x350 | 48.67 | 120x32.5 | M85x1 |
| STY-10.6-400-580 | 580 | 663.8 | 20 | ±25? | Φ580/400x400 | 562.54 | 120x47 | M85x1 |
STH系列10.6um场镜
| 型号 | FL, mm | SAR, mm | FSD, mm | MT |
| STH-10.6-50-63 | 63 | 50x50 | 0.2 | M85x1 |
| STH-10.6-70-100 | 100 | 70x70 | 0.2 | M85x1 |
| STH-10.6-110-160 | 160 | 110x110 | 0.2 | M85x1 |
| STH-10.6-140-230 | 230 | 140x140 | 0.2 | M85x1 |
| STH-10.6-175-254 | 254 | 175x175 | 0.2 | M85x1 |
| STH-10.6-210-300 | 300 | 210x210 | 0.2 | M85x1 |
| STH-10.6-250-360 | 360 | 250x250 | 0.25 | M85x1 |
| STH-10.6-300-450 | 450 | 300x300 | 0.35 | M85x1 |
| STH-10.6-400-592 | 592 | 400x400 | 0.2 | M85x1 |
| STH-10.6-600-650 | 650 | 600x600 | 0.7 | M85x1 |
| 产品型号 | FL, mm | SAR, mm | EP, mm | SA, ±° | FSD, ?m | 镜片直径 mm | DxL, mm |
| STL-10.6-35-52-48 | 52 | 35X35 | 10 | 28 | 128 | 48 | 89x25 |
| STL-10.6-50-75-48 | 75 | 50X50 | 10 | 28 | 181 | 48 | 89x25 |
| STL-10.6-70-100-48 | 100 | 70x70 | 12 | 28 | 185 | 48 | 89x25 |
| STL-10.6-75-120-48 | 120 | 75x75 | 10 | 28 | 190 | 48 | 89x25 |
| STL-10.6-90-130-48 | 130 | 90x90 | 10 | 28 | 200 | 48 | 89x25 |
| STL-10.6-110-150-48 | 150 | 110X110 | 12 | 28 | 280 | 48 | 89x25 |
| STL-10.6-140-200-48 | 200 | 140X140 | 15 | 28 | 338 | 48 | 89x25 |
| STL-10.6-175-250-48 | 250 | 175X175 | 15 | 28 | 357 | 48 | 89x25 |
| STL-10.6-210-300-48 | 300 | 210X210 | 12 | 28 | 565 | 48 | 89x25 |
| STL-10.6-250-359-48 | 359 | 250X250 | 12 | 28 | 478 | 48 | 89x25 |
| STL-10.6-300-433-48 | 433 | 300X300 | 12 | 28 | 640 | 48 | 89x25 |
| STL-10.6-320-450-48 | 450 | 320X320 | 12 | 28 | 687 | 48 | 89x25 |
| STL-10.6-350-480-48 | 480 | 350X350 | 12 | 28 | 780 | 48 | 89x25 |
| STL-10.6-400-573-48 | 573 | 400X400 | 12 | 28 | 979 | 48 | 89x25 |
| STL-10.6-500-720-48 | 720 | 500X500 | 14 | 28 | 1267 | 48 | 89x25 |
| STL-10.6-530-720-48 | 720 | 530X530 | 12 | 28 | 1267 | 48 | 89x25 |
| STL-10.6-680-934-48 | 934 | 680X680 | 12 | 28 | 1630 | 48 | 89x25 |
| STL-10.6-750-1191-48 | 1191 | 750X750 | 12 | 28 | 2018 | 48 | 89x25 |
| STL-10.6-1380-2128-48 | 2128 | 1380X1380 | 12 | 28 | 3650 | 48 | 89x25 |
| STL-10.6-140-200-70 | 200 | 140X140 | 16 | 28 | 171 | 70 | 89x25 |
| STL-10.6-175-250-65 | 250 | 175X175 | 20 | 28 | 324 | 65 | 89x25 |
| STL-10.6-300-430-65 | 430 | 300X300 | 20 | 28 | 450 | 65 | 89x25 |
| STL-10.6-300-430-70 | 430 | 300X300 | 20 | 28 | 442 | 70 | 89x25 |
| STL-10.6-320-448-68 | 448 | 320X320 | 20 | 28 | 450 | 68 | 89x25 |
| STL-10.6-350-480-70 | 480 | 350X350 | 20 | 28 | 540 | 70 | 89x25 |
| STL-10.6-365-573-62 | 573 | 365X365 | 20 | 25 | 677 | 62 | 89x25 |
| STL-10.6-400-573-70 | 573 | 400X400 | 20 | 28 | 650 | 70 | 89x25 |
| STL-10.6-450-620-70 | 620 | 450X450 | 20 | 28 | 540 | 70 | 89x25 |
| STL-10.6-500-720-75 | 720 | 500X500 | 20 | 28 | 830 | 75 | 89x25 |
| STL-10.6-540-742-88 | 742 | 540X540 | 20 | 28 | 800 | 88 | 89x25 |
| STL-10.6-600-830-75 | 830 | 600X600 | 20 | 28 | 856 | 75 | 89x25 |
| STL-10.6-700-1100-75 | 1100 | 700X700 | 25 | 25 | 1006 | 75 | 89x25 |
STU2系列双镜片场镜
双镜片和三镜片场镜的光学性能比单镜片场镜要好很多,适合于要求好的光学性能的场合。
| 产品型号 | 扫描面积 (mm) | 焦距 (mm) | 焦斑 (um) | 工作距 (mm) | 工作距 (带窗口mm) | 最大Fq X轴(%) | 最大Fq Y轴(%) |
| STU2-10.6-50-75 | 50x50 | 75.0 | 118 | 60.27 | 62.03 | -2.4 | -2.4 |
| STU2-10.6-70-100 | 70x70 | 100.0 | 139 | 87.57 | 89.34 | -1.5 | -1.4 |
| STU2-10.6-105-151 | 105x105 | 151.4 | 171 | 149.06 | 150.84 | 0.9 | 0.9 |
| STU2-10.6-140-200 | 140x140 | 200.0 | 225 | 213.94 | 215.73 | 1 | 1 |
| STU2-10.6-175-250 | 175x175 | 250.0 | 282 | 261.36 | 263.17 | 1.3 | 1.3 |
| STU2-10.6-210-300 | 210x210 | 300.0 | 338 | 312.06 | 313.87 | 1.5 | 1.5 |
| 产品型号 | FL mm | SAR mm | EP mm | SA ±° | FSD um | WD mm | OD*L mm | MT mm |
| STL-10.6-70-100 | 100 | 70X70 | 14 | 28 | 116-165 | 105.6 | Φ89x42 | M85x1 |
| STL-10.6-105-150 | 150 | 105X105 | 14 | 28 | 171.3-172 | 161.7 | Φ89x42 | M85x1 |
| STL-10.6-140-200 | 200 | 140x140 | 14 | 28 | 188-199 | 229.4 | Φ89x42 | M85x1 |
| STL-10.6-175-250 | 250 | 175x175 | 14 | 28 | 250-255 | 286 | Φ89x42 | M85x1 |
| STL-10.6-210-300 | 300 | 210x210 | 20 | 28 | 250-270 | 327.8 | Φ89x42 | M85x1 |
| STL-10.6-250-360 | 360 | 250X250 | 14 | 28 | 370-389 | 393 | Φ89x42 | M85x1 |
| STL-10.6-300-420 | 420 | 300x300 | 16 | 20 | 408-427 | 466 | Φ89x42 | M85x1 |
| STL-10.6-350-490 | 490 | 350x350 | 18 | 28 | 410-434 | 535 | Φ89x42 | M85x1 |
| STL-10.6-400-560 | 560 | 400x400 | 30 | 25 | 375-385 | 604.8 | Φ89x42 | M85x1 |
| STL-10.6-500-700 | 700 | 500x500 | 30 | 27.8 | 230-260 | 763.7 | Φ89x42 | M85x1 |
| STL-9.4-50-100 | 100 | 50X50 | 20 | 20 | 84-88 | 131.3 | Φ89x42 | M85x1 |
| STL-9.4-70-100 | 100 | 70x70 | 14 | 28 | 116-165 | 105.6 | Φ89x42 | M85x1 |
| STL-9.4-140-200 | 200 | 140x140 | 15 | 28 | 163-167 | 219 | Φ89x42 | M85x1 |
| STL-9.4-170-300 | 300 | 170x170 | 20 | 23 | 265-275 | 326 | Φ89x42 | M85x1 |
SL3系列三镜片场镜
| 产品型号 | 波长 (um) | FL (mm) | WD (mm) | SA o | SAR (mm²) | EP (mm) | A1 (mm) | A2 (mm) | 焦斑 (um) | MT | 长度 (mm) |
| SL3-9.4-50-80W | 9.4 | 80 | 89.4 | ±25 | 50X50 | 14 | 18 | 18 | 84.5 | M85X1 | 39.2 |
| SL3-9.4-60-105Z | 9.4 | 105 | 60.1 | ±25 | 60X60 | 14 | 18 | 21 | 88.5 | M85X1 | 86 |
| SL3-10.6-50-80W | 10.6 | 80 | 89.4 | ±25 | 50X50 | 14 | 18 | 18 | 84.5 | M85X1 | 39.2 |
| SL3-10.6-60-105Z | 10.6 | 105 | 60.1 | ±25 | 60X60 | 14 | 18 | 21 | 88.5 | M85X1 | 86 |
STU3系列三镜片场镜

焦距75mm场镜是远心场镜,远心度< 5°,在整个扫描区域达光学衍射极限性能
无聚焦-角度误差
| 产品型号 | 波长(um) | FL(mm) | SAR(mm) | EP(mm) | 焦斑(mm) |
| STU3-10.6-50-75 | 10.6 | 75 | 50x50 | 15 | 89 |
| STU3-10.6-70-100 | 10.6 | 100 | 70x70 | 15 | 113 |
STSL, STU2和STU3的焦斑比较,STU2和STU3的外形图
| 产品型号 | FL (mm) | SA max (±°) | SAR (mm) | EP (mm) | FSD (um) | 长度 (mm) | WD (mm) |
| STG-10.6-50-100G | 100 | 20 | 50*50 | 25 | 60 | 93 | 106 |
| STG-9.6-50-110Z | 110 | 14.5 | 50*50 | 15 | 140 | 99 | 97 |
| STG-9.6-70-140Z | 140 | 20 | 70*70 | 15 | 126 | 142 | 124 |
可以根据客户特定要求定制。
| 型号 | 波长 nm | FL mm | WD mm | SAR mm | 扫描角 | EP mm | 焦斑 ?m | OD mm | MT |
| STY-980-70-100 | 980 | 100 | 111.62 | Φ100/70×70 | ±25? | 12 | 16.33 | 90 | M85×1 |
| STY-780-980-55-100R | 780-980 | 100 | 104 | Φ88/55×55 | ±25.2? | 12 | 15 | 90 | M85×1 |
| STY-980-110-160 | 980 | 160 | 181.29 | Φ158/110×110 | ±28? | 12 | 25.9 | 90 | M85×1 |
| STY-980-100-160 | 980 | 160 | 181.04 | Φ141/100×100 | ±28? | 20 | 14.62 | 120 | M85×1 |
| STY-980-100-163 | 980 | 163 | 179.61 | Φ160/100×100 | ±25? | 20 | 15.77 | 115 | M85×1 |
| STY-980-100-165 | 980 | 165 | 181.04 | Φ141/100×100 | ±28? | 20 | 14.62 | 120 | M85×1 |
| STY-915-940-100-170 | 915-940 | 170 | 191.97 | Φ144/100×100 | ±25? | 30 | 10.11 | 140 | M102×1 |
| STY-980-100-170 | 980 | 170 | 191.97 | Φ144/100×100 | ±25? | 30 | 10.11 | 140 | M102×1 |
| STY-980-100-170 | 980-100 | 170 | 191.97 | Φ144/100×100 | ±25? | 30 | 10.11 | 140 | M102×1 |
| STY-915-940-170-254 | 915-940 | 254 | 271.07 | Φ240/170×170 | ±25? | 14-20 | 10.11 | 120 | M85×1 |
| STY-915-940-175-254 | 915-940 | 254 | 286.08 | Φ247/175×175 | ±25? | 30 | 32.5 | 140 | M102×1 |
| STY-980-156-254 | 980 | 254 | 286.08 | Φ220/156×156 | ±25? | 30 | 15 | 140 | M102×1 |
| STY-980-261-420 | 980 | 420 | 502.23 | Φ369/261×261 | ±25.2? | 30 | 25.11 | 140 | M132×1 |
| STY-915-400-510 | 915 | 510 | 565.93 | Φ565/400×400 | ±31.5? | 18 | 47.5 | 120 | M85×1 |
| STY-1940-190-280 | 1840 | 280 | 346.1 | Φ268/190×190 | ±27.5? | 14 | 71 | 120 | |
| STY-1940-318-465 | 1940 | 465 | 554.04 | Φ446/318×318 | ±27.5? | 14 | 117.9 | 120 | |
| STY-1940-380-554 | 1940 | 554 | 655.77 | Φ268/380×380 | ±27.5? | 14 | 140.49 | 120 |
808nm场镜
| 型号 | FL (mm) | SA (±°) | SL (mm) | SAR (mmxmm) | EP (mm) | AS (mm) | 长度 (mm) | OD (mm) | WD (mm) | MT |
| STS-0101/094 | 97.53 | 28.00 | 75.71 | 53x53 | 10 | 18.00 | 40.00 | 90.00 | 108.90 | M85x1 |
| STS-0163/094 | 158.28 | 27.60 | 156.21 | 108x108 | 12 | 20.80 | 43.30 | 89.00 | 176.42 | M85x1 |
| STS-2163/094 | 158.88 | 26.80 | 150.05 | 103x103 | 20 | 29.00 | 66.00 | 128.00 | 187.26 | M85x1 |
| STS-0202/094 | 196.85 | 19.00 | 130.88 | 90x90 | 30 | 43.00 | 83.10 | 132.00 | 237.41 | M85x1 |
| STS-3254/094 | 248.66 | 19.20 | 168.83 | 115x115 | 30 | 47.93 | 75.50 | 130.00 | 290.03 | M85x1 |
| STS-0300/094 | 294.17 | 25.00 | 258.39 | 175x175 | 20 | 35.00 | 78.00 | 128.00 | 346.21 | M85x1 |
| STS-0400/094 | 397.87 | 21.40 | 303.07 | 213x213 | 20 | 33.00 | 53.00 | 118.00 | 486.87 | M85x1 |
| STS-0420/094 | 410.93 | 25.20 | 374.59 | 250x250 | 30 | 54.64 | 52.00 | 136.00 | 468.59 | M132x1 |
| STS-0555/094 | 556.24 | 21.40 | 426.26 | 290x290 | 25 | 40.00 | 65.40 | 130.00 | 628.87 | M85x1 |
| STS-0635/094 | 636.51 | 25.60 | 594.02 | 415x415 | 30 | 58.25 | 48.50 | 133.00 | 709.51 | M110x1 |
| STS-0825/094 | 803.55 | 28.00 | 642.68 | 450x450 | 30 | 54.00 | 58.00 | 130.00 | 875.96 | M102x1 |
808nm远心场镜
| 产品型号 | FL (mm) | SA (±°) | SL (mm) | SAR (mm x mm) | EP (mm) | AS (mm) | 长度 (mm) | OD (mm) | WD (mm) | MT |
| STS-0053/094 | 56.33 | 11.00 | 21.61 | 14x14 | 10.00 | 17.50 | 55.15 | 90.00 | 69.12 | M85x1 |
| STS-0075/094 | 76.78 | 9.80 | 26.40 | 19x19 | 10.00 | 32.60 | 45.00 | 70.00 | 103.63 | TK60 |
| STS-0080/094 | 79.55 | 21.20 | 58.15 | 39x39 | 25.00 | 27.70 | 83.40 | 107.00 | 79.53 | M85x1 |
| STS-5100/094 | 105.63 | 26.80 | 96.39 | 68x68 | 12.00 | 35.00 | 85.50 | 126.00 | 135.25 | M85x1 |
980nm场镜
| 产品型号 | FL (mm) | SA (±°) | SL (mm) | SAR (mm*mm) | EP (mm) | AS (mm) | 长度 (mm) | OD (mm) | WD (mm) | MT |
| STS-0101/094 | 99.46 | 28.00 | 75.71 | 53x53 | 10.00 | 18.00 | 40.00 | 90.00 | 111.17 | M85x1 |
| STS-0163/094 | 161.38 | 27.60 | 156.21 | 108x108 | 12.00 | 20.80 | 43.30 | 89.00 | 179.88 | M85x1 |
| STS-2163/094 | 162.00 | 26.80 | 150.05 | 103x103 | 20.00 | 29.00 | 66.00 | 128.00 | 191.26 | M85x1 |
| STS-0202/094 | 200.40 | 19.00 | 130.88 | 90x90 | 30.00 | 43.00 | 83.10 | 132.00 | 241.65 | M85x1 |
| STS-3254/094 | 253.12 | 19.20 | 168.83 | 115x115 | 30.00 | 47.93 | 75.50 | 130.00 | 295.61 | M85x1 |
| STS-0300/094 | 298.52 | 25.00 | 258.39 | 175x175 | 20.00 | 35.00 | 78.00 | 128.00 | 351.32 | M85x1 |
| STS-0400/094 | 400.16 | 21.40 | 303.07 | 213x213 | 20.00 | 33.00 | 53.00 | 118.00 | 489.16 | M85x1 |
| STS-0420/094 | 419.58 | 25.20 | 374.59 | 250x250 | 30.00 | 54.64 | 52.00 | 136.00 | 478.65 | M132x1 |
| STS-0555/094 | 565.20 | 21.40 | 426.26 | 290x290 | 25.00 | 40.00 | 65.40 | 130.00 | 638.85 | M85x1 |
| STS-0635/094 | 649.59 | 25.60 | 594.02 | 415x415 | 30.00 | 58.25 | 48.50 | 133.00 | 724.17 | M110x1 |
| STS-0825/094 | 812.18 | 28.00 | 642.68 | 450x450 | 30.00 | 54.00 | 58.00 | 130.00 | 885.11 | M102x1 |
980nm远心场镜
| 型号 | FL (mm) | SA (±°) | SL (mm) | SAR (mm x mm) | EP (mm) | AS (mm) | 长度 (mm) | OD (mm) | WD (mm) | MT |
| STS-0053/094 | 57.39 | 11.00 | 21.61 | 14x14 | 10 | 17.50 | 55.15 | 90.00 | 70.56 | M85x1 |
| STS-0075/094 | 78.18 | 9.80 | 26.40 | 19x19 | 10 | 32.60 | 45.00 | 70.00 | 105.56 | TK60 |
| STS-0080/094 | 80.96 | 21.20 | 58.15 | 39x39 | 25 | 27.70 | 83.40 | 107 | 81.30 | M85x1 |
| STS-5100/094 | 107.19 | 26.80 | 96.39 | 68x68 | 12 | 35.00 | 85.50 | 126 | 137.17 | M85x1 |
633nm场镜
| 产品型号 | FL (mm) | SA (±°) | SL (mm) | SAR (mm*mm) | EP (mm) | AS (mm) | 长度 (mm) | OD (mm) | WD (mm) | MT |
| STS-0155/123 | 154.63 | 11.00 | 59.28 | 40x40 | 15.00 | 40.00 | 50.00 | 70.00 | 192.00 | |
| STS-0075/123 | 74.79 | 10.40 | 27.00 | 19X19 | 10.00 | 31.00 | 45.00 | 70.00 | 100.30 | |
| STS-1088/093 | 87.48 | 15.80 | 48.22 | 34X34 | 7.00 | 34.00 | 55.00 | 98.00 | 116.61 | TK87 |
| STS-0093/123 | 89.02 | 17.00 | 51.96 | 36X36 | 16.00 | 34.00 | 62.05 | 83.00 | 113.37 | |
| STS-1100/123 | 100.59 | 12.00 | 42.16 | 30X30 | 10.00 | 53.30 | 92.00 | 155.00 | 221.34 | TK145 |
| STS-1114/093 | 156.06 | 20.00 | 108.80 | 77X77 | 10.00 | 53.30 | 92.00 | 155.00 | 223.27 | TK145 |
| STS-0200/123 | 203.55 | 15.00 | 105.79 | 75X75 | 20.00 | 116.50 | 93.95 | 142.00 | 235.97 | TK133 |
670nm场镜
| 产品型号 | FL (mm) | SA (±°) | SL (mm) | SAR (mm*mm) | EP (mm) | AS (mm) | 长度 (mm) | OD (mm) | WD (mm) | MT |
| STS-1088/093 | 87.96 | 15.80 | 48.50 | 34X34 | 7.00 | 34.40 | 55.00 | 98.00 | 116.27 | TK87 |
| STS-1114/093 | 157.32 | 20.00 | 109.65 | 77X77 | 10.00 | 53.30 | 92.00 | 155.00 | 223.00 | TK145 |
| STS-040/093 | 157.47 | 19.60 | 107.73 | 76X76 | 5.00 | 53.40 | 90.00 | 155.00 | 225.22 | TK145 |
1544nm–1560nm
| 型号 | FL (mm) @1544nm | EP (mm) | SAR (mm*mm) | AS (mm) | WD (mm) @1544nm | WD (mm) @1560nm | OD (mm) | 长度 (mm) | MT |
| STS-7010/008 | 100 | 10 | 35 x 35 | 32 | 113.2 | 113.2 | 94 | 98.8 | M85x1 |
1000nm–1100nm
| 型号 | FL(mm) @1544nm | EP (mm) | SAR (mm*mm) | AS (mm) | WD(mm) @1544nm | WD(mm) @1560nm | OD (mm) | 长度 (mm) | MT |
| STS-7010/450 | 100.2 | 10 | 35 x 35 | 32 | 115 | 115 | 94 | 98.8 | M85x1 |
515nm–589nm
| 型号 | FL(mm) @1544nm | EP (mm) | SAR (mm*mm) | AS (mm) | WD (mm) @1544nm | WD (mm) @1560nm | OD (mm) | 长度 (mm) | MT |
| STS-7012/292 | 100 | 10 | 35 x 35 | 36.1 | 101.9 | 101.9 | 94 | 98.8 | M85x1 |
405nm场镜
| 型号 | 波长 (nm) | FL (mm) | 材料 | EP (mm) | SAR (mm*mm) | AS (mm) | WD (mm) | OD (mm) | 长度(mm) | MT |
| STS-0314/173 | 405 | 315.1 | 玻璃 | 10 | 200 x 200 | 36.2 | 372 | 116 | 49 | M92x1 |
| STS-0375/173 | 405 | 375.3 | 玻璃 | 10 | 300 x 300 | 35.5 | 447.9 | 116 | 47.9 | M92x1 |
| STS-0580/173 | 405 | 593.8 | 石英 | 10 | 326 x 326 | 39 | 686.1 | 89 | 38 | M85x1 |
| STS-1208/173 | 405 | 1794 | 玻璃 | 20 | 1100 x 1100 | 47.5 | 1929.7 | 96 | 31.8 | M85x1 |
| STS-1208/173 | 405 | 1794 | 玻璃 | 30 | 800 x 800 | 47.5 | 1929.7 | 96 | 31.8 | M85x1 |
| STS-1210/173 | 405 | 1202.7 | 玻璃 | 20 | 748 x 748 | 48.5 | 1353.7 | 152 | 96.9 | M85x1 |
| STS-3160/173 | 405 | 176 | 石英 | 6 | 110 x 110 | 21.1 | 220.9 | 89 | 36.8 | M85x1 |
| STS-3260/173 | 405 | 263.9 | 石英 | 10 | 164 x 164 | 26 | 331.3 | 105 | 61 | M85x1 |
405nm远心场镜
| 型号 | 波长 (nm) | FL (mm) | 材料 | EP (mm) | SAR (mm x mm) | AS (mm) | WD (mm) | OD (mm) | 长度 (mm) | MT |
| STS-3170/173 | 405 | 166.3 | 石英 | 10 | 90 x 90 | 26 | 226.3 | 127 | 103.7 | M85x1 |
| STS-4110/173 | 405 | 111.4 | 石英 | 6 | 63 x 63 | 33.1 | 157.6 | 121 | 86 | M85x1 |
| STS-4175/173 | 405 | 107.1 | 玻璃 | 10 | 60 x 60 | 60.7 | 191.6 | 119 | 143 | M85x1 |
| STS-8050/173 | 405 | 55.1 | 玻璃 | 6 | 30 x 30 | 16.2 | 67.3 | 90 | 52 | M85x1 |
用于准分子激光248nm掩膜成像的场镜
| 产品型号 | FL (mm) | SA (±°) | 倍数 | SAR (mm*mm) | EP (mm) | 长度 (mm) | OD (mm) | WD (mm) | MT |
| STS-4200/198 | 221.10 | 14.00 | 0.33 | 200X200 | 10X10 | 38.6 | 88 | 303.60 | M85x1 |
193nm场镜
| 产品型号 | FL (mm) | SA (±°) | SL (mm) | SAR (mm x mm) | EP (mm) | AS (mm) | 长度 (mm) | OD (mm) | WD (mm) | MT |
| STS-4056/198 | 56 | 18.8 | 25X25 | 7 | 15 | 34 | 87 | M85X1 | Yes | 71.36 |
| STS-4057/198 | 66.24 | 19.2 | 30X30 | 7 | 15 | 34 | 87 | M85X1 | Yes | 83.78 |
STJ系列场镜可用于中功率和大功率应用的激光材料加工,如各类材料的高精度微构建、打标和贴标。
STJ系列场镜特别适用于千瓦范围内的中功率和大功率应用的微加工。您可以在紫外线至可见光和红外线的激光波长下使用标准物镜:您将获得波长为1080至266纳米的物镜。
STJ系列场镜极为耐用,使您能够进行高精度激光材料加工。您可将其用于各类材料的微构建、打标和贴标。物镜配有防护玻璃。作为一项特别服务,我们可以为您提供我们的STEP文件,您可以凭该文件将STJ系列场镜快速而轻松地集成至任何系统。
每个物镜都经过标准化的应用测试程序。这使得我们能够在批量生产中实现高度一致的光学性能。物镜易于改变且生命周期稳定性得以增加,您将因此而受益。
除了这些标准设计以外,我们还可采用从光束成形至激光光束的扩展和分割的元件,为您开发完整的系统。

优势
非常耐用:得益于特殊的低污染安装技术,在认证的洁净室中避免了粘合剂和润滑剂及组装
高精度:适用于各类材料的微构建、打标和贴标。
灵活:快速而轻松地集成至现有系统
自定义:提供标准版或根据个人需求特别定制版产品
高效:通过对光学组件的热-机械应力的有限元分析,节省资金
连续稳定性:全面的测试保证了现场的可替代性
应用领域
微电子学:例如,玻璃微结构
半导体工业:例如,微加工
汽车工业:例如,切割和构建复合材料
医疗:例如,在治疗应用中除去纱布
一般应用:例如,玻璃加工,电池焊接
| 波长 (nm) | 型号 | 焦距 mm | 打标面积mm 圆形/方形 | 扫描角度 θmax | 入射光斑 直径mm | 弥散光斑 直径?m | 远心度 | 工作距离 mm | 螺纹 接头 |
| 1030-1080 nm | STJ-02426 | 100 | Φ93/65x65 | 54? | 10 | 19 | 8.7 | 87 | M85×1 |
| STJ-00326 | 125 | Φ80/57×57 | 37? | 15 | 16 | 4.9 | 155 | M85×1 | |
| 125 | Φ93/65x65 | 43? | 15 | 16 | 7.2 | 155 | M85×1 | ||
| STJ-601926 | 125 | Φ80/57×57 | 37? | 15 | 16 | 4.9 | 155 | M85×1 | |
| STJ-01926 | 160 | Φ170/120×120 | 60? | 10 | 31 | 17.1 | 178 | M85×1 | |
| STJ-601914 | 160 | Φ170/120×120 | 60? | 10 | 31 | 17.1 | 178 | M85×1 | |
| STJ-01826 | 170 | Φ170/120×120 | 57? | 14 | 24 | 11.6 | 194 | M85×1 | |
| STJ-01726 | 255 | Φ239/169×169 | 53? | 20 | 24 | 14.3 | 291 | M85×1 | |
| STJ-601948 | 255 | Φ239/169×169 | 53? | 20 | 24 | 14.3 | 291 | M85×1 | |
| STJ-02226 | 347 | Φ354/250×250 | 58? | 16 | 46 | 18.7 | 404 | M85×1 | |
| STJ-00926 | 350 | Φ452/320×320 | 71? | 15 | 45 | 23.7 | 395 | M85x1 | |
| STJ-02126 | 420 | Φ420/297×297 | 57? | 15 | 55 | 18.7 | 501 | M85×1 | |
| 532nm | STJ-20926 | 100 | Φ90/64×64 | 53? | 10 | 10 | 7.7 | 95 | M85×1 |
| STJ-20226 | 102 | Φ75/53×53 | 43? | 15 | 7 | 4.1 | 133 | M85×1 | |
| STJ-20326 | 108 | Φ75/53×53 | 40? | 15 | 7 | 4.9 | 132 | M85×1 | |
| 108 | Φ86/60×60 | 46? | 15 | 7 | 7.1 | 132 | M85×1 | ||
| STJ-624103 | 115 | Φ71/50x50 | 36? | 14 | 8 | 3.5 | 146 | M85×1 | |
| STJ-20626 | 170 | Φ160/113×113 | 54? | 14 | 12 | 10.9 | 195 | M85×1 | |
| STJ-20526 | 255 | Φ233/165×165 | 52? | 20 | 12 | 14.2 | 294 | M85×1 | |
| STJ-20826 | 330 | Φ347/245×245 | 58? | 16 | 23 | 18.4 | 384 | M85×1 | |
| STJ-20726 | 420 | Φ420/297×297 | 57? | 15 | 27 | 19.3 | 485 | M85×1 | |
| 355nm | STJ-40126 | 53 | Φ24/17×17 | 24? | 10 | 3.5 | 0.4 | 65 | M85×1 |
固体石英场镜吸收小,是大功率和短脉冲应用的理想之选。
STJS系列场镜专为大功率和短脉冲激光器的应用而设计。它们是能为极高能量激光器提供最低限度地吸收的固体石英场镜。STJS系列场镜系列中的F-theta物镜的应用范围为1030至1080nm,900至1100nm和515至540nm。
场镜是衍射受限的,并提供较高的图像质量。这种衍射限透镜具有高损伤阈值,并且在整个扫描区内聚焦非常一致。STJS系列场镜能应对高达四千瓦的光束输出功率,而无需主动冷却。它们确保极高能量的激光器实现最小的焦移率。我们提供标准版F-theta物镜,亦可根据您的具体要求特别定制。
适用波长范围为355纳米的新款STJS系列场镜170-355-140。它的最大远心角仅为4.9度,在整个100x100毫米工作区域的斑点尺寸分布均匀。该大型加工区域与衍射极限的图像质量相结合,其生产量高于市场上可用的标准透镜。我们通过采用一项新的专利安装技术的高品质光学元件,来确保所需的精度水平。
每个物镜都经过标准化的应用测试程序。这确保了批量生产中的高度一致的光学性能。

优势
非常耐用:得益于特殊的低污染安装技术,在认证的洁净室中避免了粘合剂和润滑剂及组装
高精度
高效:能应对高达四千瓦的光束输出功率,而无需主动冷却
自定义:提供标准版或根据个人需求特别定制版产品
连续稳定性:全面的测试保证了现场的可替代性
应用领域
汽车工业:例如,工业部件生产
医疗技术:例如,用于在眼科中聚焦和重定向激光光束的物镜
太阳能电池的生产:例如,用于切边和构建P1,P2,P3的光学产品
半导体制造:例如,半导体芯片打标
一般应用:例如,玻璃加工,电池焊接
| 波长 (nm) | 型号 | 焦距 mm | 打标面积mm圆形/方形 | 扫描角度θmax | 入射光斑 直径mm | 弥散光斑直径?m | 远心度 | 工作距离 mm | 螺纹 接头 |
| 1030-1080nm | STJS-02526 | 160 | Φ110/78x78 | 40? | 14 | 22 | 5.2 | 184 | M85×1 |
| STJS-02626 | 255 | Φ161/114×114 | 36? | 20 | 25 | 7.2. | 303 | M85×1 | |
| 900-1100nm | STJS-601787 | 160 | Φ110/78x78 | 40? | 14 | 19 | 5.2 | 182 | M85×1 |
| STJS-601804 | 255 | Φ161/114×114 | 36? | 20 | 21 | 7.2 | 302 | M85×1 | |
| 355nm | STJS-40226 | 103 | Φ71/50×50 | 40? | 9 | 8 | 2.4 | 135 | M85×1 |
| STJS-40626 | 255 | Φ240/170×170 | 54? | 10 | 17 | 12.7 | 314 | M85×1 | |
| STJS-40526 | 510 | Φ431/328×328 | 51? | 14 | 24 | 18.2 | 609 | M85×1 | |
| STJS-586840 | 170 | Φ140/100×100 | 50? | 10 | 11 | 4.8 | 236 | M85×1 | |
| 266nm | STJS-60126 | 103 | Φ71/50×50 | 40? | 9 | 6 | 2.9 | 133 | M85×1 |